时间:2017-03-05 16:40:51
1、选择题 电阻为1Ω的矩形线圈,绕垂直于磁场方向的轴在匀强磁场中匀速转动,产生的交变电动势随时间变化的图象如图所示。现把交流电加在电阻为9Ω的电热丝上,则下列说法中正确的是( )
A.线圈转动的角速度为100πrad/s
B.电热丝两端的电压U=100
V
C.如果线圈转速提高一倍,则电流不会改变
D.用电流表测量电热丝的值为20A
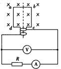
2、计算题 如图所示,线圈abcd的面积是0.05 m2,共100匝,线圈电阻为r=1Ω,外接电阻R=9Ω,匀强磁场的磁感应强度B
,当线圈以300 r/min的转速匀速旋转时,求:
(1)若线圈转动从经过中性面时开始计时,写出线圈中感应电动势瞬时值表达式。
(2)线圈转过
时电动势的瞬时值多大?
(3)电路中电压表和电流表的示数各是来源:91考试网 www.91exAm.org多少?
(4)从中性面开始计时,经
通过电阻R的电荷量为多少? 
3、选择题 某小型发电机产生的交变电动势为e=50sin100πt(V),对此电动势,下列表述正确的有
A.最大值是50
V
B.频率是100Hz
C.有效值是25
V
D.周期是0.02s
4、实验题 一个矩形线圈在匀强磁场中绕垂直于磁场的轴从中性面开始匀速转动,经过T/12时,产生的感应电动势的瞬时值为10 V,则感应电动势的最大值为________,有效值为_________.
5、选择题 一矩形线圈在匀强磁场中匀速转动,产生的交变电流电动势
(V),则( )
A.交流电的电动势峰值是
V
B.交流电的电动势有效值是220V
C.当t=0时,线圈平面恰好与中性面重合
D.当
s时,e值为110V