时间:2017-03-05 16:40:51
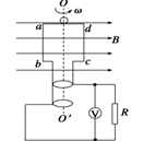
1、计算题 如图8所示,匀强磁场的磁感应强度B=0.5 T,边长L=10 cm的正方形线圈abcd共100匝,线圈电阻r=1 Ω,线圈绕垂直于磁感线的对称轴OO′匀速转动,角速度ω=2π rad/s,外电路电阻R=4 Ω. 试求:
(1)转动过程中感应电动势的最大值;交变电压表的示数;
感应电动势的瞬时值表达式
(2)线圈从图示位置转过90°的过程中通过电阻R的电量.
(3)线圈转动一周线框上产生的焦耳热为多少?
2、填空题 发电机电枢以转速n=3000转/min在匀强磁场中匀速转动,当线圈平面与磁感线方向平行时,产生的感应电动势为1000V,若从线圈平面与中性面重合时计时,则所产生的感应电动势的瞬时表达式e=__________________,当t=0.03s时,电动势为__________V
3、选择题 如图所示为一交流电压随时间变化的图象。每个周期内,前三分之一周期电压按正弦规律变化,后三分之二周期电压恒定,根据图中数据可得,此交流电压的有效值为 
[? ]
A.7.5V
B.8 V
C.
D.
4、选择题 将图1所示的方波电压和图2所示的正弦交流电压分别加在相同阻值的电阻上,它们在该电阻上产生的热功率之比为
A.2:1
B.
:1
C.1:l
D.1:2
5、计算题 一小型发电机内的矩形线圈在匀强磁场中以恒定的角速度ω绕垂直于磁场方向的固定轴转动,线圈的匝数n=100,穿过线圈的磁通量φ随时间t的变化关系如图甲所示,发电机线圈的电阻r=5Ω,外电路电阻R=95Ω。求串联在外电路中的交流电流表的读数。