时间:2017-03-05 16:33:15
1、选择题 电能表上标有“3000r/kwh”,单独使用一个用电器时,电能表的转盘在100s内转5转,则此用电器的电功率是
A.60 W
B.40 W
C.100 W
D.20 W
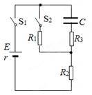
2、计算题 如图所示的电路中,电源电动势
,内阻
,定值电阻
,
,电容器的电容

(1)保持开关
闭合,求电容器C所带的电荷量
(2)保持开关
闭合,将开关
断开,求断开开关
后流过电阻
的电荷量
3、选择题 有三个电阻,R1=2 Ω,R2=3 Ω,R3=4 Ω,现把它们并联起来接入电路,则通过它们的电流之比为I1∶I2∶I3是
A.6∶4∶3
B.3∶4∶6
C.2∶3∶4
D.4∶3∶2
4、选择题 如图所示电路中,已知电容C=2μ,电源电动势E=12V,内阻不计,
,则电容器极板a所带的电量为( )
A.-4×10-6C
B.4×10-6C
C.-8×10-6C
D.8×10-6C
5、选择题 在如图所示的电路中,电键K1、K2、K3、K4均闭合,C是极板水平放置的平行板电容器,板间悬浮着一油滴P,断开哪个电键后P不会运动
A.K1
B.K2
C.K3
D.K4