时间:2017-03-05 16:33:15
1、选择题 在小明家的照明电路中,接有规格符合要求的熔丝,当开关一闭合,保险丝就立即熔断,电灯不亮。发生此现象的原因可能是
A.电灯的灯座内短路
B.电路某处接触不良
C.将开关接在了零线上了
D.开关两接线柱间短路
2、选择题 关于移动电话,下列说法中正确的是
A.随身携带的移动电话(手机)内,只有无线电接收装置,没有无线电发射装置
B.随身携带的移动电话(手机)内,既有无线电接收装置,又有无线电发射装置
C.两个携带手机的人,必须通过固定的基地台转接,才能相互通话
D.无线寻呼机(BP机)内只有无线电接收装置,没有无线电发射装置
3、填空题 如图所示,电路中接一电动势为4V,内电阻为2Ω的直流电源,电阻R1、R2、R3、R4的阻值均为4Ω,电容器的电容为30μF,电流表的内阻不计,当电路稳定后,电流表的读数为_____。电容器上所带的电荷量_____
4、选择题 在如图所示的电路中,电源内阻不计.为使电容器的带电量增大,可采取以下那些方法:( )
A.增大R1
B.增大R2
C.增大R 3
D.减小R1
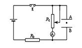
5、选择题 如图所示电路中,电源电动势为E、内阻为r,电阻R0为定值电阻,R1为滑动变阻器,A、B为电容器的两个极板。当滑动变阻器R1的滑动端处于某位置时,A、B两板间的带电油滴静止不动。则下列说法中正确的是 
A.仅把R1的滑动端向下滑动时,电流表读数增大,油滴向上运动
B.仅把R1的滑动端向上滑动时,电流表读数减小,油滴向上运动
C.仅把两极板A、B间距离增大,油滴向上运动,电流表读数不变
D.若R0突然断路,油滴仍静止不动,电流表读数变为零.