时间:2017-03-05 16:29:59
1、计算题 如图所示,板长为L的平行板电容器倾斜固定放置,极板与水平线夹角θ=30°,某时刻一质量为m,带电量为q的小球由正中央A点静止释放,小球离开电场时速度是水平的,(提示:离开的位置不一定是极板边缘)落到距离A点高度为h的水平面处的B点,B点放置一绝缘弹性平板M,当平板与水平夹角α=45°时,小球恰好沿原路返回A点.求:
(1)电容器极板间的电场强度E;
(2)平行板电容器的板长L;
(3)小球在AB间运动的周期T。 
参考答案:解:(1)带电粒子沿水平方向做匀加速运动可知
解得:
(2)小球垂直落到弹性挡板上,且
,有
根据动能定理:
解得:
(3)由于小球在复合场中做匀加速运动
解得
平抛运动的时间为
总时间为
本题解析:
本题难度:困难
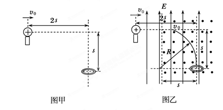
2、实验题 有一个带正电的小球,质量为m,电荷量为q,静止在固定的绝缘支架上.现设法给小球一个瞬时的初速度v0使小球水平飞出,飞出时小球的电荷量没有改变.同一竖直面内,有一个固定放置的圆环(圆环平面保持水平),环的直径略大于小球直径,如图甲所示.空间所有区域分布着竖直方向的匀强电场,垂直纸面的匀强磁场分布在竖直方向的带状区域中,小球从固定的绝缘支架水平飞出后先做匀速直线运动,后做匀速圆周运动,竖直进入圆环.已知固定的绝缘支架与固定放置的圆环之间的水平距离为2s,支架放小球处与圆环之间的竖直距离为s,v0>
,小球所受重力不能忽略.求:
(1)空间所有区域分布的匀强电场的电场强度E的大小和方向;
(2)垂直纸面的匀强磁场区域的最小宽度S,磁场磁感应强度B的大小和方向;
(3)小球从固定的绝缘支架水平飞出到运动到圆环的时间t.
参考答案:(1)大小为
,方向竖直向上;(2)大小为
,方向垂直纸面向外;(3)
?(1+
)
本题解析:(1)小球水平飞出,由平衡条件得mg=qE,
解得电场强度E=
. 方向竖直向上.
(2)如图乙所示,由题意可知,垂直纸面的匀强磁场区域最小宽度为s.要使小球准确进入圆环,所加磁场的方向为垂直纸面向外.由于重力与电场力平衡,故带电小球进入磁场后在洛伦兹力作用下做圆周运动,轨迹半径R=s,
qv0B=
,解得磁感应强度B=
.
(3)小球从开始运动到进入磁场的时间t1=
,在磁场中的运动周期T=
,在磁场中的运动时间t2=T/4=
,小球到达圆环总时间t=t1+t2=
?(1+
).
本题难度:一般
3、选择题 如图所示,L1和L2是输电线,甲是电压互感器,乙是电流互感器。若已知甲的变压比为1000:1,乙的变流比为100:l,并且已知加在电压表两端的电压为220V,通过电流表的电流为10A,则输电线的输送功率为(?)?
A.2.2×103W
B.2.2×10-2W
C.2.2×l08W
D.2.2×104W
参考答案:C
本题解析:依题输送电压为2.2×l05V,输送电流为1×103V
本题难度:简单
4、选择题 如图所示,为速度选择器原理图,Dl和 D2是两个平行金属板,分别连在电源的两极上,其间有一定的电场强度为E,同时在这空间加有垂直于电场方向的磁场,磁感应强度为B。Sl、S2为两个小孔,且Sl与S2连线方向与金属板平行。速度沿Sl、S2连线方向从Sl飞入的带电粒子只有做直线运动才可以从S2飞出,若让一束不同粒子沿Sl与S2连线方向从Sl孔飞入,则下列说法正确的是( )
A.能够从S2孔飞出的粒子必为同种粒子
B.能够从S2孔飞出的粒子必具有相同的速度
C.能够从S2孔飞出的粒子若改为从S2孔飞入,也必能从S1孔飞出
D.只有从S2孔飞出的带正电的粒子,若改为从S2孔飞入,才能从S1孔飞出
参考答案:B
本题解析:
试题分析:速度选择器是根据粒子通过复合场后,电场力与洛伦兹力平衡,则有被选择的速度v的大小应满足v="E/B" ,与粒子的正负无关,但必须从S1孔飞入,故A错误;B正确;能够从S2孔飞出的粒子若改为从S2孔飞入,不论粒子的正电荷,还是负电荷,电场力与洛仑兹力方向均相同,因此不能从S1孔飞出,故C、D错误;
考点: 带电粒子在复合场中运动
本题难度:一般
5、选择题 如图甲所示,绝缘轻质细绳一端固定在方向相互垂直的匀强电场和匀强磁场中的O点,另一端连接带正电的小球,小球电荷量
,在图示坐标中,电场方向沿竖直方向,坐标原点O的电势为零。当小球以2m/s的速率绕O点在竖直平面内做匀速圆周运动时,细绳上的拉力刚好为零。在小球从最低点运动到最高点的过程中,轨迹上每点的电势
随纵坐标y的变化关系如图乙所示,重力加速度
.则下列判断正确的是
A.匀强电场的场强大小为
B.小球重力势能增加最多的过程中,电势能减少了2.4J
C.小球做顺时针方向的匀速圆周运动
D.小球所受的洛伦兹力的大小为3N
参考答案:BD
本题解析:A.由匀强电场的场强公式
结合图像乙,可得
,故A错误;B.由功能关系
,
,即电势能减少了2.4J,故B正确;C.当小球以2m/s的速率绕O点在竖直平面内做匀速圆周运动时,细绳上的拉力刚好为零,说明是洛仑兹力提供向心力,由左手定则得小球应该是逆时针方向做圆周运动,故C错误;D.重力和电场力是一对平衡力,有
,得
,由洛仑兹力提供向心力可知洛仑兹力为
,故D正确。故选BD.
考点:本题考查了带电粒子在复合场中的运动、牛顿第二定律.
本题难度:一般