时间:2017-03-02 11:14:44
1、填空题 如图所示为热水系统的恒温电路,R1是可变电阻,R2是热敏电阻,当温度低时,热敏电阻的阻值很大,温度高时,热敏电阻的阻值很小。当热水器中的水位达到一定高度(由水位计控制)且水的温度低于某一温度时,发热器才会开启并加热。图中虚线框中应选_____________门逻辑电路;为将发热器开启的水温调低一些,可以_____________R1的阻值(选填“增大”或“减小”)。 
参考答案:与,增大
本题解析:
本题难度:一般
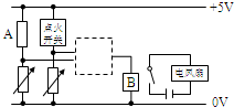
2、选择题 如图所示是为汽车发动机的冷却风扇设计的一个控制电路.要求发动机的点火开关开启,并且温度过高时热敏电阻A阻值变小,B部分就会使得风扇自动开启.以下判断正确的是( )
A.虚线框内的门电路是“或”门
B.虚线框内的门电路是“与”门
C.虚线框内的门电路是“非”门
D.无法判断虚线框内的门电路是哪种门电路
参考答案:B
本题解析:
本题难度:一般
3、选择题 如图所示是一种应用逻辑电路制作的简易走道灯电路图,R0是一个光敏电阻,当走道里光线较暗时或将手动开关S接通时,灯都会亮.则( )
A.虚线框内的门电路应是“或”门
B.虚线框内的门电路应是“与”门
C.当手动开关S接通时,门电路的输入端A是低电势
D.当有光照到光敏电阻R0上时,门电路的输入端B是高电势
参考答案:A
本题解析:
本题难度:简单
4、选择题 电容式话筒的高保真度比动圈式话筒好,其工作原理如图5-3-11所示,Z是绝缘支架,薄金属膜M和固定电极N构成电容器,被直流电源充电,当声波使膜片(音膜)振动,电容发生变化,电路中形成变化的电流,当音膜向右振动的过程中(?)
图5-3-11
A.电容变小
B.电容变大
C.导线ab中有向左的电流
D.导线ab中有向右的电流
参考答案:BC
本题解析:当音膜向右振动时,电容器极板间距离减小,电容变大,电容器将继续被充电,因此ab中的电流方向为b到a.选项B、C正确.
本题难度:简单
5、选择题 如图所示,由门电路组成的电路,输出端为“1”,指示灯L亮,输出端为“0”,指示灯L不亮,现要使灯L亮,则A、B两输入端分别是( )
A.“1”、“1”
B.“0”、“0”
C.“1”、“0”
D.“0”、“1”
参考答案:B
本题解析:本题涉及简单逻辑电路,考查逻辑电路知识及逻辑运算。由图可知此逻辑电路为“或非”门,“或”门电路见“1”出“1”,全“0”出“0”,“非”门电路见“0”出“1”,输出端为“1”,指示灯L亮,则要使灯L亮,或门输出必为“0”。
故选B
点评:容易题。牢记基本门电路的符号和各种门电路的逻辑关系是分析解答此类问题的关键.
本题难度:简单