时间:2017-03-02 10:59:30
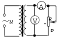
1、选择题 图甲为理想变压器的示意图,其原副线圈的匝数比为4:1,电压表和电流表均为理想电表,原线圈接图乙所示的正弦交流电,图中Rt为NTC型热敏电阻,R1为定值电阻.下列说法中正确的是( )
A.交流电压u的表达式u=36
| 2 |
2、填空题 如图所示,变压器原、副线圈的匝数比为10﹕1,副线圈有一中心抽头e.原线圈接交流电压u=220
| 2 |

3、填空题 一台调压器原线圈匝数为3600匝,当电路电压降为180V时,副线圈要想得到220V的电压时,应将副线圈的匝数调整为________匝;若此时用电器的工作电流为0.9A,则原线圈中的电流为________A
4、选择题 (根据江苏南通市高三第一次调研考试试卷第4题改编)下列关于变压器的说法中正确的是( )
A.变压器在改变电压的同时,也改变了交变电压的频率
B.变压器输出的电压由输入的电压决定
C.变压器输出的电流由输入的电流决定
D.变压器输出的电功率由输入的电功率决定
5、选择题 如图所示,理想变压器原、副线圈的匝数比为11:2,原线圈两端的输入电压
,电表均为理想电表,滑动变阻器R接入电路部分的阻值为10Ω。下列叙述中正确的是
[? ]
A.该交流电的频率为50Hz
B.电压表的读数为
C.电流表的读数为4A
D.若滑动变阻器的滑动触头P向a端移动,电流表的读数变大