时间:2020-08-15 23:54:52
1、选择题 如图所示电路中,L是自感系数足够大的线圈,它的电阻可忽略不计,D1和D2是两个完全相同的小灯泡.将电键K闭合,待灯泡亮度稳定后,再将电键K断开,则下列说法中正确的是( )
A.K闭合瞬间,D2先亮,D1后亮,最后两灯亮度一样
B.K闭合瞬间,D1先亮,D2后亮,最后两灯亮度一样
C.K断开时,两灯都亮一下再慢慢熄灭
D.K断开时,D2立即熄灭,D1亮一下再慢慢熄灭
参考答案:L是自感系数足够大的线圈,它的电阻可忽略不计,D1和D2是两个完全相同的小灯泡
A、K闭合瞬间,但由于线圈的电流增加,导致线圈中出现感应电动势从而阻碍电流的增加,所以两灯同时亮,当电流稳定时,由于电阻可忽略不计,所以以后D1熄灭,D2变亮.故A错误;
B、K闭合瞬间,但由于线圈的电流增加,导致线圈中出现感应电动势从而阻碍电流的增加,所以两灯同时亮,当电流稳定时,由于电阻可忽略不计,所以以后D1熄灭,D2变亮.故B错误;
C、K闭合断开,D2立即熄灭,但由于线圈的电流减小,导致线圈中出现感应电动势从而阻碍电流的减小,所以D1亮一下再慢慢熄灭,故C错误;
D、K闭合断开,D2立即熄灭,但由于线圈的电流减小,导致线圈中出现感应电动势从而阻碍电流的减小,所以D1亮一下再慢慢熄灭,故D正确;
故选:D
本题解析:
本题难度:简单
2、选择题 如图所示的甲、乙两个电路,电感线圈的自感系数足够大,且直流电阻不可忽略,闭合开关S,待电路达到稳定后,灯泡均能发光.现将开关S断开,这两个电路中灯泡亮度的变化情况可能是( )
A.甲电路中灯泡将渐渐变暗
B.甲电路中灯泡将先变得更亮,然后渐渐变暗
C.乙电路中灯泡将渐渐变暗
D.乙电路中灯泡将先变得更亮,然后渐渐变暗
参考答案:对甲图,灯泡和L中的电流一样,断开开关时,L相当于电源,甲电路中灯泡将渐渐变暗,A正确;
对乙图,开关断开时,L相当于电源,若L中的电流小于或等于灯泡中的电流,则乙电路中灯泡将渐渐变暗,C正确;
若L中的电流大于灯泡中的电流,则乙电路中灯泡将先变得更亮,然后渐渐变暗,D正确.
故选ACD
本题解析:
本题难度:简单
3、选择题 下列用电器工作原理涉及到涡流现象应用的是( )
A.电吹风
B.电磁灶
C.电冰箱
D.电视机
参考答案:B
本题解析:略
本题难度:一般
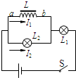
4、选择题 如图所示,电感线圈L的自感系数足够大,其直流电阻忽略不计,LA、LB是两个相同的灯泡,且在下列实验中不会烧毁,电阻R2阻值约等于R1两倍大,则
A.闭合开关S时,LA、LB同时达到最亮,且LB更亮一些
B.闭合开关S时,LA、LB均慢慢亮起来,且LA更亮一些
C.断开开关S时,LA慢慢熄灭,LB马上熄灭
D.断开开关S时,LA慢慢熄灭,LB闪亮后才慢慢熄灭
参考答案:D
本题解析:闭合开关S时,由于线圈的自感作用LA慢慢亮起来,但LB立即亮起来,AB错误;断开开关S时,LA、LB、L形成回路,但由于LA的电流大于LB的电流,故LA慢慢熄灭,LB闪亮后才慢慢熄灭,C错误、D正确。
本题难度:简单
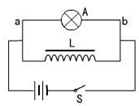
5、选择题 在研究自感现象的实验中,用两个完全相同的灯泡a、b分别与自感系数很大的自感线圈L和定值电阻R组成如图所示的电路(自感线圈的直流电阻与定值电阻R的阻值相等),闭合开关S达到稳定后两灯均可以正常发光.关于这个实验下面的说法中正确的是( )
A.闭合开关的瞬间,通过a灯和b灯的电流相等
B.闭合开关后,a灯后亮,b灯先亮
C.闭合开关,待电路稳定后断开开关,a、b两灯过一会同时熄灭
D.闭合开关,待电路稳定后断开开关,b灯先熄灭,a灯后熄灭
参考答案:A、闭合开关的瞬间,b灯立即正常发光,a灯所在电路上线圈产生自感电动势,阻碍电流的增大,电流只能逐渐增大,a灯逐渐变亮.故A错误.
B、由于线圈中自感电动势的阻碍,通过a灯的电流小于通过b灯的电流,所以闭合开关后,a灯后亮,b灯先亮.故B正确.
C、D闭合开关,待电路稳定后断开开关,L中产生自感电动势,相当于电源,a、b两灯串联,同时逐渐变暗到熄灭.故C正确D错误.
故选BC
本题解析:
本题难度:简单