时间:2020-08-15 23:54:52
1、选择题 日光灯在正常工作情况下,对启动器和镇流器的表述错误的是( )
A.灯管点燃发光后,启动器中的两个触片是分离的
B.灯管点燃后,启动器中两个触片是接触的
C.镇流器在日光灯开始点燃时提供瞬时高压
D.灯管点燃后,镇流器起降压限流作用
参考答案:日光灯启动时,是先将与启动器相连的镇流器相连;启动器受热后一端膨胀断开,此时镇流器产生高压将灯管中的气体电离,使气体导电,灯泡发光;
故有:
A、灯管点燃后,启动器的两个触片已经断开,故A正确,B错误;
B、由以上分析可知,镇流器的作用是提供瞬时高压,而使气体电离,故C正确;
D、灯管点燃后,镇流器的阻碍作用可以起到稳压限流作用,即电压过高时降压,电流过大时限流,故D正确;
本题选错误的,故选B.
本题解析:
本题难度:一般
2、选择题 如图所示,A、B是完全相同的两个小灯泡,L为自感系数很大、电阻可以忽略的带铁芯的线圈,则( )
A.电键S闭合的瞬间,A、B同时发光,随后A灯变亮,B灯变暗
B.电键S闭合的瞬间,B灯亮,A灯不亮
C.断开电键S的瞬间,A、B灯同时熄灭
D.断开电键S的瞬间,B灯立即熄灭,A灯突然闪亮一下再熄灭
参考答案:开关K闭合的瞬间,两灯同时获得电压,所以A、B同时发光.由于线圈的电阻可以忽略,灯A逐渐被短路,流过A灯的电流逐渐减小,B灯逐渐增大,则A灯变暗,B灯变亮,故AB错误;
断开开关K的瞬间,B灯的电流突然消失,立即熄灭,流过线圈的电流将要减小,产生自感电动势,相当电源,自感电流流过A灯,所以A灯突然闪亮一下再熄灭,故C错误D正确.
故选:D
本题解析:
本题难度:简单
3、选择题 如图所示,A、B两灯相同,L是带铁芯的电阻可不计的线圈,下列说法中正确的是( )
A.开关K合上瞬间,B比A先亮起来
B.K合上稳定后,A、B同时亮着
C.K断开瞬间,A、B同时熄灭
D.K断开瞬间,B立即熄灭,A过一会儿再熄灭
参考答案:AB、开关K闭合的瞬间,两灯同时获得电压,所以A、B同时发光.由于线圈的电阻可以忽略,灯A逐渐被短路,流过A灯的电流逐渐减小最后熄灭,B灯电流逐渐增大,故A错误,B错误;
CD、断开开关K的瞬间,B灯的电流突然消失,立即熄灭,流过线圈的电流将要减小,产生自感电动势,相当电源,自感电流流过A灯,所以A灯突然闪亮一下再熄灭,故C错误,D正确.
故选:D
本题解析:
本题难度:一般
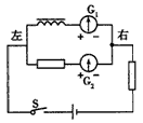
4、选择题 如图所示的电路中,两个灵敏电流表G1和G2的零点都在刻度盘中央,当电流从“+”接线柱流入时,指针向右摆;电流从“一”接线柱流入时,指针向左摆。在电路接通后再断开的瞬间,下列说法中符合实际情况的是 
[? ]
A.G1表指针向左摆,G2表指针向右摆
B.G1表指针向右摆,G2表指针向左摆
C.G1、G2表的指针都向左摆
D.G1、G2表的指针都向右摆
参考答案:B
本题解析:
本题难度:一般
5、选择题 如图所示的电路中有L1和L2两个完全相同的灯泡,线圈L的电阻忽略不计,下列说法中正确的是
A.闭合S时,L2先亮,L1后亮,最后一样亮
B.断开S时,L2立刻熄灭,L1过一会儿熄灭
C.断开S前后,L1中的电流始终从a到b
D.断开S前后,L2中的电流始终从c到d
参考答案:AC
本题解析:闭合开关瞬间,电感线圈产生与原电流方向相反的自感电流阻碍原电流的增大,灯泡L1逐渐亮起来,断开开关时,线圈产生与原电流方向相同的自感电流阻碍原电流的减小,亮灯泡都逐渐熄灭,电流方向顺时针,AC对
本题难度:简单