时间:2020-08-15 23:52:27
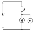
1、简答题 如下图所示的电路,电阻
.电键
切断时,电压表示数为6V, 当电键
接通,
扳至A时,电源输出功率为5.76W.求
扳至B时,电压表的示数和电阻R消耗的电功率.
参考答案:5V? ;? 3W
本题解析:
:
本题难度:简单
2、选择题 在图中所示的电路中,电源电动势为3.0V,内阻不计,L1、L2、L3?为3个相同规格的小灯泡,这种小灯泡的伏安特性曲线如下图所示。当开关闭合后,下列判断正确的是:?
A.灯泡L1的电阻为12Ω
B.通过灯泡L1的电流为通过灯泡L2电流的2倍
C.灯泡L1消耗的电功率为0.75W
D.灯泡L2消耗的电功率为0.30W
参考答案:ACD
本题解析:当开关闭合后,灯泡L1的电压等于3V,由图读出其电流I,由欧姆定律求出电阻,并求出其功率.灯泡L2、L3串联,电压等于1.5V,由图读出电流,求出电阻.
解:A、C当开关闭合后,灯泡L1的电压U1=3V,由图读出其电流I1=0.25A,则灯泡L1的电阻
,功率P1=U1I1=0.75W.故AC正确.灯泡L2、L3串联,电压U2=U3=1.5V,由图读出其电流I2=I3=0.20A,所以
,故B错误;L2消耗的功率P2=I2U2=0.3W,故D正确.
故选:ACD
本题难度:一般
3、简答题 如图所示电路中,电源电动势E=10V,内阻r=2Ω,电阻
=0.5Ω,则变阻器R阻值调至多少Ω时,变阻器消耗的电功率最大,消耗的最大电功率为多少W?
参考答案:2.5Ω?;10W
本题解析:
本题难度:简单
4、选择题 有四盏灯,接入如图电路中,L1和L2都标有“220V,100W”字样,L3和L4都标有“220V,40W”字样,把电路接通后,最暗的灯将是 ( )
A.L1
B.L2
C.L3
D.L4
参考答案:C
本题解析:由它们铭牌上所标的额定电压、额定功率可判出电阻之间的关系是:R1=R2<R3=R4,即R4>R1>R23并,此时把L2、L3的并联当成一个电阻,因此可以知道:P4>P1>(P2+P3),原因是串联电路P与R成正比.对于L2和L3来讲,它们的电压相同,P3<P2,原因是并联电路P与R成反比.可得L3灯最暗(功率最小).
点评:本题关键:一是知道灯的亮度取决于灯的实际电功率,二是电功率公式的灵活选择
本题难度:简单
5、计算题 (12分)发电机转子是100匝,边长为20cm的正方形线圈,将它置于B=0.05T的匀强磁场中,绕着垂直于磁场方向的轴以
?rad/s的角速度转动,转动开始时线圈平面与磁场方向垂直,已知线圈的电阻为2
,外电路的电阻为8
,试求:
(1)交变电流的瞬时表达式?
(2)外电路上所消耗的功率?
(3)从计时开始,线圈转过
的过程中,通过外电阻的电量?
参考答案:(1)i=6.28sin100πt(A)(2)P外="158W" (3)0.02C
本题解析:(1)Em=NBL2ω
电流的最大值为Im=" Em" /(R+r)
i=Imsinωt?
i=6.28sin100πt(A)
(2)P外=I2R
I=Im/
?
P外="158W"
(3)通过外电阻的电荷量q=
△t
=
/(R+r)
=N△Φ/△t
△Φ= BL2?
q=0.02C
点评:难度较小,明确电动势峰值,熟记瞬时值表达式,通过导体横截面的电荷量由平均感应电动势求得
本题难度:简单