时间:2020-08-15 23:40:57
1、选择题 如图所示,间距为L、电阻不计的足够长平行光滑金属导轨水平放置,导轨左端用一阻值为R的电阻连接,导轨上横跨一根质量为m、电阻也为R的金属棒,金属棒与导轨接触良好.整个装置处于竖直向上、磁感应强度为B的匀强磁场中.现使金属棒以初速度v沿导轨向右运动,若金属棒在整个运动过程中通过的电荷量为q.下列说法正确的是( )
A.金属棒在导轨上做匀减速运动
B.整个过程中金属棒在导轨上发生的位移为
| qR BL |
| 1 2 |
| 1 2 |

参考答案:A、金属棒切割产生感应电动势,产生感应电流,从而受到向左的安培力,做减速运动,由于速度减小,电动势减小,则电流减小,安培力减小,根据牛顿第二定律知,加速度减小,做加速度逐渐减小的减速运动.故A错误.
B、根据q=△ΦR总=BLs2R,则金属棒在导轨上发生的位移s=2qRBL.故B错误.
C、根据动能定律得,-WA=0-12mv2,则金属棒克服安培力做功为12mv2.故C正确.
D、根据能量守恒得,动能的减小全部转化为整个回路产生的热量,则电阻R产生的热量QR=14mv2.故D错误.
故选C.
本题解析:
本题难度:一般
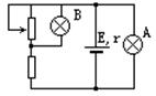
2、选择题 在如图的电路中,当滑动变阻器的滑动头向下滑动时,A、B两灯亮度的变化情况为(?)
A.A灯和B灯都变亮?B.A灯、B灯都变暗
C.A灯变亮,B灯变暗 ?D.A灯变暗,B灯变亮
参考答案:B
本题解析:
试题分析:当滑动变阻器的滑动头向下滑动时,滑动变阻器接入电路的电阻变小,并联部分的总电阻变小,所以总电阻变小,总电流变大,所以电源内阻的电压变大,所以A灯的电压变小,故A灯变暗;由I=
可知A的电流变小,而总电流变大,所以通过另一支路的电流变大,所以另一个电阻的电压变大,故灯泡B的电压变小,故B灯变暗,故选B.
本题难度:一般
3、选择题 一太阳能电池板,测得它的开路电压为800mV,短路电流为40mA,若将该电池板与一阻值为20Ω的电阻器连成一闭合回路,则它的路端电压是(?)
A.0. 10V
B.0.20V
C.0.30V
D.0.40V
参考答案:D
本题解析:根据开路电压和短路电流,可知内阻r=
="20"
.若将该电池板与一阻值为20Ω的电阻器连成一闭合回路,电流I=
,则路端电压U=IR=0.40V。故D正确,A、B、C错误。
故选D。
本题难度:简单
4、简答题 随着越来越高的摩天大楼在各地的落成,至今普遍使用的钢索悬挂式电梯已经渐渐地不适用了.这是因为钢索的长度随着楼层的增高而相应增加,这样这些钢索会由于承受不了自身的重量,还没有挂电梯就会被扯断.为此,科学技术人员正在研究用磁动力来解决这个问题.如图所示就是一种磁动力电梯的模拟机,即在竖直平面上有两根很长的平行竖直轨道,轨道间有垂直轨道平面的匀强磁场B1和B2,且B1和B2的方向相反,大小相等,即B1=B2=1T,两磁场始终竖直向上作匀速运动.电梯桥厢固定在如图所示的一个阁超导材料制成的金属框abcd内(电梯桥厢在图中未画出),并且与之绝缘.电梯载人时的总质量为5×103kg,所受阻力f=500N,金属框垂直轨道的边长Lcd=2m,两磁场的宽度均与金属框的边长Lac相同,金属框整个回路的电阻R=9.5×10-4Ω,假如设计要求电梯以v1=10m/s的速度向上匀速运动,那么,(取g=10m/s2)
(1)磁场向上运动速度v0应该为多大?(结果保留两位有效数字)
(2)在电梯向上作匀速运动时,为维持它的运动,外界必须提供能量,那么此时系统的效率为多少?(结果保留三位有效数字)
参考答案:(1)当电梯匀速向上移动时,金属框中感应电流大小为:
I=2B1Lcd(V0-V1)R①
金属框所受安培力F=2B1ILcd②
由平衡条件得:
F=mg+f③
解①②③得v0=13m/s
(2)运动时能量由磁场提供,外界能量转化为三部分,一是线框的重力势能,二是线框产生电热,三是阻力的负功.由①式代入数据得,
I=1.26×104A
金属框中焦耳热功率为:P1=I2R=1.51×105W
有用功率为P2=mgv1=5×105W
阻力功率为P3=fv1=5×103W
系统效率η=P2P1+P2+P3×100%=76.2%
答:(1)磁场向上运动速度v0=13m/s
(2)此时系统的效率为76.2%
本题解析:
本题难度:一般
5、选择题 两个电源A、B分别对各自的负载电阻供电所描绘出的U-I图线,如图所示,下面的说法正确的是
[? ]
A.A、B两个电池电动势相同
B.A、B两个电池内阻相同
C.负载电阻相同时,电源A输出功率较大
D.负载电阻相同时,电源B输出功率较大
参考答案:D
本题解析:
本题难度:一般