时间:2020-08-15 23:40:57
1、简答题 (8分)如图11所示,R为电阻箱,V为理想电压表,当开关S闭合,电阻箱读数为2Ω时,电压表示的读数为4V,当开关S断开时,电压表的读数为6V。求:
(1)电源的电动势和内阻
(2)当电阻箱读数为11Ω时,电源的输出功率为多大?
参考答案:(1)6V,1Ω
(2)2.75W
本题解析:14.(1)S断开时:U="E=6V"
S闭合时:U=E-Ir
得?
所以r=1Ω?
(2)电源输出电流?
?
输出功率? P=I2R?
解得? P="2.75W"
本题难度:简单
2、选择题 电源的电动势为4.5V,内电阻为0.50Ω,外电路接一个4.0Ω的电阻,这时电源两端的电压为( ).
A.5.0V
B.4.5V
C.4.0V
D.3.5V
参考答案:C
本题解析:电源两端的电压为路端电压,则
,C正确。
考点:本题考查闭合电路的欧姆定律。
本题难度:一般
3、选择题 在如图所示电路中,电源电动势为ε,内电阻不能忽略.闭合S后,调整R的阻值,使电压表的示数增大△U.在这一过程中( )
A.通过R1的电流增大,增量为△U/R1
B.R2两端的电压减小,减小量为△U
C.通过R2的电流减小,减小量小于△U/R2
D.路端电压增大,增大量为△U
参考答案:A、R1是定值电阻,电压表V的示数增大△U的过程中,通过R1的电流增加,增加量△I=△UR1.故A正确.
? B、电压表V的示数增大,变阻器有效电阻增大,外电路总电阻增大,干路电流减小,R2两端电压减小,路端电压增大,则R2两端电压减少量一定小于△U.故B错误.
? C、由欧姆定律得到:通过R2的电流的减少量一定小于△UR2.故C正确.
? D、电压表示数增加,R2电压减小,路端电压增加量一定小于△U.故D错误.
故选AC.
本题解析:
本题难度:简单
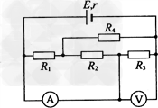
4、选择题 如图所示,电池的电动势为3V,内阻为0.6Ω。且R1=R2=R3=R4=4Ω。两电表为理想电表,下列说法正确的是?
[? ]
A.电流表的读数为0.6 A,电压表的读数为2.4 V?
B.电流表的读数为0.2 A,电压表的读数为1.6 V?
C.电流表的读数为0.4 A,电压表的读数为3.0 V?
D.电流表的读数为0.8 A,电压表的读数为2.4 V
参考答案:D
本题解析:
本题难度:一般
5、计算题 (6分) 如图所示,电源电压8V,闭合开关后,电流表A1的示数为0.2A,电流表A的示数为0.3A。试求:
(1)R1的电功率;
(2)1min内R2消耗的电能。
参考答案:(1)1.6W(2)48J
本题解析:由电路图可知: I1="0.2A" ,I2=0.3A-0.2A=0.1A?(1分)
(1)
?(2分)
(2)
?(3分)
本题考查闭合电路欧姆定律的应用,由干路电流和支路电流可求得流过电阻R2的电流大小,由公式P=UI可求得电功率,再由电能公式Q=Uit可求得电阻R2在1min内消耗的电能
本题难度:简单