时间:2020-08-15 23:32:14
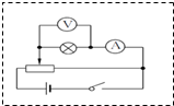
1、简答题 A.待测元件(额定电压2V、额定电流200mA)
B.电流表A1(量程0~0.3A,内阻约为1Ω)
C.电流表A2(量程0~0.6A,内阻约为0.5Ω)
D.电压表V(量程0~3V,内阻约为10kΩ)
E.滑动变阻器R1(阻值范围0~5Ω,允许最大电流1A)
F.滑动变阻器R2(阻值范围0~1kΩ,允许最大电流100mA)
G.直流电源E(输出电压3V,内阻不计)
H.开关S,导线若干
I.多用电表
(1)为提高实验的准确程度,电流表应选用______;滑动变阻器应选用______(以上均填器材序号).
(2)请在图中用笔画线代替导线,完成实物电路的连接.
(3)检查实验电路连接正确,然后闭合开关,调节滑动变阻器滑动头,发现电流表和电压表指针始终不发生偏转.在不断开电路的情况下,使用多用电表直流电压档检查电路故障.检查过程中将多用表的红、黑表笔与电流表“+”、“-”接线柱接触时,多用电表指针发生较大角度的偏转,说明电路故障是______.
参考答案:(1):根据待测元件规格“2V,200mA”可知,电流表应选B;
由于测定伏安特性曲线实验要求电流从零调,所以变阻器应用分压式接法,应选择阻值小的变阻器E以方便调节;
(2):待测元件电阻为R=UI=2200×10-3Ω=10Ω,满足RVRx>RxRA,所以电流表应用外接法,又变阻器采用分压式接法,实物连线图如图所示:
(3):闭合开关,调节滑动变阻器滑动头,发现电流表和电压表指针始终不发生偏转,说明电路中有断路;
将多用表的红、黑表笔与电流表“+”、“-”接线柱接触时,多用电表指针发生较大角度的偏转,说明两表笔之间不含电源部分即电流表有断路,即电路故障是电流表断路.
故答案为:(1)B,E
(2)如图
(3)电流表断路
本题解析:
本题难度:一般
2、填空题 有一小灯泡上标有“6V,0.2A”的字样,现要测量灯泡的伏安特性曲线,有下列器材供选用:
A.电压表(0~3V,内阻2.0kΩ)
B.电压表(0~10V,内阻3.0kΩ)
C.电流表(0~0.3A,内阻3.0Ω)
D.电流表(0~6A,内阻1.5Ω)
E.滑动变阻器(最大阻值为50Ω)
F.滑动变阻器?(最大阻值为1KΩ)
G.学生电源(直流9V)及开关、导线等
(1)实验中所用的器材为______(填字母代号).
(2)画出实验电路图,要求电压从0开始测量.
参考答案:(1)电源电压为9V,小灯泡额定电压为6V,用3V量程电压表,电压不能超过3V,故电压表选B;
额定电流为0.2A,为减小读数误差,故电流表选选C;
电压要从0开始连续调节,故滑动变阻器采用分压式接法,选小电阻的操作方便,即滑片滑动相同距离小电阻的变阻器变化的电压小,方便观测数据,故变阻器选择E;
电源必选.
故选:BCEG.
(2)电灯泡电阻较小,“大内小外”,故采用安培表外接法;
电压要从0开始连续调节,故滑动变阻器采用分压式接法;
故电路图如下图所示
本题解析:
本题难度:简单
3、实验题
小题1:为了测量电源的电动势和内阻,在实验室里我们通常采取下图甲电路测量,请根据电路图甲连接实物图。
小题2:由于电压表和电流表内阻的影响,下图甲所示电路存在系统误差,为了消除这一影响,某同学设计了如下的实验方案:选择两块量程合适的电压表V1和V2,一个满足实验要求的电阻箱R,电键若干。设计如下图乙所示的测量电路,该同学进行了如下的主要测量步骤:
①闭合电键S2,断开电键S1、S3,记下此时电压表V2的读数
②闭合S3,断开S1,S2,调节电阻箱R,当电压表V2的读数与①步骤的读数相同时,读出电阻箱的阻值为R0
③闭合S1、S2,断开S3,记下V1的示数U1
④再断开S1,记下V1和V2的示数U1′和U2′
请利用以上的测量数据写出该电源的电动势和内阻的测量值表达式E=?,r= ?。
?
?
参考答案:
小题1:如右图所示
小题2:
(2分);
(2分)
本题解析:(1)略(2)设电源的电动势为E、内阻为r,电压表V2的电阻为R。由步骤①②可知,电压表V1的电阻为R0。由步骤③可知电压表V1和电源构成闭合电路,则
。由步骤④可知,电压表V1、电压表V2和电源构成闭合电路,则
,
,联立解得
;
。
本题难度:简单
4、实验题 (10分)某同学在探究性实验中需要精确地测量某灵敏电流计(微安表)的内电阻,设计了如图甲所示的电路,实验室可供他使用的器材如下:
?
A待测电流计(量程500uA,内阻约1kΩ)? B电阻箱R(阻值1Ω~9999Ω)
C滑动变阻器R1(最大阻值10Ω)? D滑动变阻器R2(最大阻值1kΩ)
E电源(电动势3V,内阻不计)? F开关一只,导线若干
①请你用笔画代替导线,按图甲的方案将图乙中的实物图连成可供测量的实验电路;
②在某一次测量中,得到了如上图所示的数据,则R=?Ω;I= ?uA;
③实验时,该同学把滑动变阻器的滑片调至适当位置处,而后保持滑动变阻器的阻值不变,通过调节电阻箱阻值R,使流过灵敏电流计的示数I发生变化,为使测量出的Rg值误差较小,需保证在调节电阻箱阻值R时,尽可能不改变R与电流计两端的电压值之和,则滑动变阻器应选择?(填“R1”或“R2”);
④若操作过程中得到如图丙所示的(1/I—R)图线,若已知斜率为k,纵截距为b,则根据图线,求得电流表内阻Rg=?(请用字母表示);
参考答案:①连线图见解析;②1750 ; 240;③ R1④ 
本题解析:①实物连线如图:
②R="1750" Ω;I="240" uA;③在调节电阻箱阻值R时,尽可能不改变R与电流计两端的电压值之和,则滑动变阻器应该选用阻值较小的R1;④由欧姆定律,设电流计和电阻箱两端的电压之和为U,则 U=I(R+Rg),整理可得:
,由题意可得:
,
解得
。
本题难度:一般
5、实验题&nbs p; 有一可供使用的多用电表,S为选择开关,Q为欧姆挡调零旋钮.现在要用它检测两个电阻的阻值.已知阻值分别为R1约为20 Ω,R2约为30 kΩ,下面提出了在测量过程中一系列可能的操作,请你选出能尽可能准确地测定各阻值和符合多用电表安全使用规则的各项操作,并且将它们按合理顺序填写在后面的横线上的空白处.下图为欧姆挡表盘刻度的示意图.
A.旋动S使其尖端对准欧姆挡×1 k
B.旋动S使其尖端对准欧姆挡×100
C.旋动S使其尖端对准欧姆挡×10
D.旋动S使其尖端对准欧姆挡×1
E.旋动S使其尖端对准“OFF”
F.将两表笔分别接到R1的两端,读出R1的阻值,随后即断开
G.将两表笔分别接到R2的两端,读出R2的阻值,随后即断开
H.两表笔短接,调节Q使表针对准欧姆挡刻度盘上的0,随后即断开
所选操作及其顺序为(用字母代号填空):______________.(操作:步骤可以重复选用)
参考答案:AHGDHFE或DHFAHGE
本题解析:两电阻可以先测量任意一个的阻值,若先测量R2的阻值,先将选择开关对准×1 k档位,两表笔短接进行欧姆调零,然后把R2接在两表笔之间,读出其阻值。测量R1电阻时,先将选择开关对准×1档位,换档后重新进行欧姆调零,然后再将R1接在两表笔间测量,读出其阻值,测量完毕后必须把选择开关对准OFF位置,所以测量顺序为AHGDHFE或DHFAHGE。
本题难度:一般