时间:2020-08-15 22:48:01
1、计算题 (10分)如图所示,AB、CD是水平放置的光滑导轨,轨距为L=0.5m,两轨间接有电阻R=4Ω,另有一金属棒ef恰好横跨在导轨上,并与导轨保持良好接触。已知ef棒的电阻为1Ω,其它电阻不计。若整个装置处在B=0.5T、方向垂直向里的匀强磁场中,现将ef棒以V=10m/s的速度水平向右作匀速运动。
求:(1)ef棒产生的感应电动势大小Eef。?
(2)维持ef棒作匀速运动所需水平外力的大小和方向。
参考答案:(1) Eef=2.5v,(2)F=0.125N
本题解析:
试题分析:设ef棒产生的感应电动势大小为Eef,则:
(2)设闭合电路中电流为I,则:
再设金属棒ef受到安培力大小为F安,则:
,方向水平向左
根据平衡条件得:
,方向水平向右
本题难度:一般
2、计算题 如图,在相距为L的光滑的足够长的水平轨道上放有一金属杆AB,在光滑的倾斜轨道上放有另一个质量为
的金属杆CD,金属杆与轨道接触良好,整个回路电阻为R,倾斜轨道与水平面夹角为
。有一一个与水平轨道平面垂直、方向向下、磁感应强度为B1的匀强磁场;有另一个与倾斜轨道平面垂直、磁感应强度为B2的匀强磁场。为了使CD能够静止,金属杆船在外力F作用下向左匀速运动,试问:
(1)匀强磁场B2的方向;
(2)通过CD杆的电流大小;
(3)外力F的功率是多大?
参考答案:

本题解析:略
本题难度:一般
3、选择题 如图所示水平光滑的平行金属导轨,左端接有电阻R,匀强磁场B竖直向下分布在导轨所在空间内,质量一定的金属棒PQ垂直于导轨放置。今使棒以一定的初速度v0向右运动,当其通过位置a、b时,速率分别为va、vb,到位置c时棒刚好静止。设导轨与棒的电阻均不计、a、b与b、c的间距相等,则金属棒在由a→b与b→c的两个过程中下列说法中正确的是

[? ]
参考答案:BD
本题解析:
本题难度:一般
4、选择题 如图所示,一有限范围的匀强磁场,宽为d.一个边长为l正方形导线框以速度v匀速地通过磁场区.若
d>l,则在线框中不产生感应电流的时间就等于( )
A.d/V
B.1/V
C.
D.

参考答案:C
本题解析:
本题难度:一般
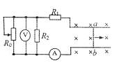
5、选择题 如图所示,在水平放置的两条平行线光滑导轨上有一垂直其放置的金属棒ab,匀强磁场跟轨道平面垂直,磁场方向如图所示,导轨接有两定值,R1=5Ω,R2=6Ω,及滑动变阻器R0,其余电阻不计。电路中的电压表量程为0-10V,电流表的量程为0-3A,现将R0调至30Ω,用F=40N水平向右的力使ab垂直导轨的向右平移,当ab达到稳定状态时,两电表中有一表正好达到满偏,而另一表未达到满偏。则下列说法正确的是
A.当棒ab达到稳定状态时,电流表满偏
B.当棒ab达到稳定状态时,电压表满偏
C.当棒ab达到稳定状态时,棒ab的速度是1 m/s
D.当棒ab达到稳定状态时,棒ab的速度是2.25 m/s
参考答案:BC
本题解析:R0与R2的并联总电阻为5Ω,所以若电流表达到满偏,则R1两端电压U=IR=15V,因为并联有效阻值与R1电阻相等,所以此时电压表示数为10V,已经超过量程,若电压表达到满偏,电流表的示数为
,故当棒ab达到稳定状态时,电压表满偏,A错误B正确
由题意可知导体棒产生的感应电动势为20V,棒达到稳定时,外力与安培力平衡,所以
,则有
,因为
,所以棒ab的速度是
1 m/s,故C正确D错误
故选BC
本题难度:一般