时间:2020-08-09 23:36:44
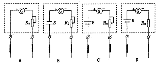
1、实验题 多用电表调到欧姆档时,其内部等效电路是下列图中的?(选填图下所对应的字母)
参考答案:C
本题解析:多用电表调到欧姆档时,其内部等效电路是下列图中的C。欧姆档内部有电源、电流计及调零可变电阻。
本题难度:一般
2、实验题 (8分)某同学想要了解导线在质量相同时,?
电阻与截面积的关系,选取了材料相同、质量相等的5卷
导线,进行了如下实验:
(1)用螺旋测微器测量某一导线的直径如图10所示.读得直
径d=__________ mm.
(2)该同学经实验测量及相关计算得到如下数据:
| 电阻R(Ω) | 121.0 | 50.0 | 23.9 | 10.0 | 3.1 |
| 导线直径d(mm) | 0.801 | 0.999 | 1.201 | 1.494 | 1.998 |
| 导线截面积S(mm2) | 0.504 | 0.784 | 1.133 | 1.753 | 3.135 |
参考答案:(1)1.200 (2)不满足 R与S2成反比(或RS2=常量) (3)19
本题解析:(1)螺旋测微器读数应先读可动刻度左边露出的主刻度L,如本题为1 mm,再看固定刻度水平线对应的可动刻度n,如本题为20.0,记数为L+n×0.01=1 mm+
20.0×0.01 mm=1.200 mm.
(2)直接用两组R、S值相乘(50×0.784=39.2,10.0×1.753=17.53),可得RS明显不相等,
可判断结果为“不满足”;并同时可简单计算
50.0×0.9994≈50×1,10×1.4944≈10×1.54≈50,两者接近相等,即R与d的四次方成
反比,得出R与S2成反比.计算时选择合适的数据可使自己计算简单方便,如本题中
的(50.0,0.999,0.784)和(10.0,1.494,1.753).
(3)根据R=ρ
有:l=
=
?m≈19 m.
本题难度:一般
3、实验题 有一电源,为了研究它的输出特性,将电流表、电压表、滑动变阻器按图示的方式连接在它的输出端A、B之间。实验时根据记录的多组电流表示数I、电压表示数U,画出了如图所示的U—I图线。若电源电动势为E、内电阻为r,则:
(1)从图线上求出电源的电动势E测=_____V,内电阻r测 =_____
。
(2) 考虑电表内阻的影响, 按图示的方式连接所测得的电源电动势为E测_____电源电动势的真实值E真(填“大于”、“等于”、或“小于”)
参考答案:(1) E测="1.45V;" r测=1Ω;(2) 小于
本题解析:
试题分析: 图线的纵轴截距为1.45,所以E测=1.45V,图线的斜率绝对值r测=
.该实验测量的误差主要来自于电压表的分流,即所测的外电压和电流,外电压是准确的,测量的电流偏小,可知,测量的电动势小于真实值,测量的内阻小于真实值.
本题难度:一般
4、实验题 在“描绘小灯泡的伏安特性曲线”实验中.用导线a、b、c、d、e、f、g和h按图示方式连接电路,电路中所有元器件都完好,且电压表和电流表已调零.闭合开关后:
小题1:若电压表的示数为2 V,电流表的的示数为零,小灯泡不亮,则断路的导线为_________;
小题2:若电压表的示数为零,电流表的示数为0.3 A,小灯泡亮,则断路的导线为_________;
小题3:若反复调节滑动变阻器,小灯泡亮度发生变化,但电压表、电流表的示数不能调为零,则断路的导线为____________.
参考答案:
小题1:d
小题2:h
小题3:g
本题解析:
分析:根据电压表及电流表的示数可以得出电路中的故障原因;若电压表有示数说明电压表与电源相连,一般在电压表中间的部分存在断路;若电流表有示数而电压表无示数,说明有短路现象;
解:(1)电压表有示数,说明电压表与电源是连通的,但灯泡不亮说明电路中有断路,且断路只能是d导线;
(2)电流表有示数说明电路是导通的,电压表无示数说明电压表与电断开,故只能是h断路;
(3)调节滑动变阻器能控制电路说明电路是完好的,但电压表及电流表无法调到零说明接成了限流接法,故应该是g导线断路;
故答案为:(1)d;(2)h;(3)g
本题难度:简单
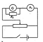
5、实验题 某物理兴趣小组要精确测量一只电流表G(量程为1mA、内阻约为100Ω)的内阻。实验室中可供选择的器材有:
电流表A1:量程为3mA内阻约为200Ω;
电流表A2:量程为0.6A,内阻约为0.1Ω;
定值电阻R1:阻值为10Ω;?
定值电阻R2:阻值为60Ω;
滑动变阻器R3:最大电阻20Ω,额定电流1.5A;
直流电源:电动势1.5V,内阻0.5Ω;
开关,导线若干.
(1)为了精确测量电流表G的内阻,你认为该小组同学应选择的电流表为?、定值电阻为____.(填写器材的符号)
(2)在方框中画出你设计的实验电路图
(3)按照你设计的电路进行实验,测得电流表A的示数为I1,电流表G的示数为I2,则电流表G的内阻的表达式为rg=?。
(4)请列出你所知道的测量电阻的方法:?。(至少写出两种)
参考答案:
?
本题解析:(1)为了精确测量电流表G的内阻,该小组同学应选择的电流表为
,因为
量程太大,测量不准确,定值电阻近似为
,所以定值电阻应选
(2)实验电路图如下
(3)测得电流表A的示数为I1,电流表G的示数为I2,则电流表G的内阻的表达式为rg=
(4)测量电阻的方法:1、伏安法2、半偏法3、替代法
本题难度:一般