时间:2020-08-09 23:05:40
1、选择题 机场用于安全检查的“安全门”是应用了下列哪个现象
A.涡流
B.静电除尘
C.磁体产生磁场
D.安全用电
2、选择题 如图所示,开关S闭合,P、Q均正常发光。 (? )
A.当变阻器滑片向左移动时线圈中会产生自感电动势,
自感电动势方向与原电流方向相反
B.当变阻器滑片向左移动时线圈中会产生自感电动势,
自感电动势方向与原电流方向相同
C.开关S断开瞬间,P中电流方向与原电流方向相反
D.开关S断开瞬间,P中电流方向与原电流方向相同
3、选择题 如图所示的电路中,两个相同的电流表G1和G2,零点均在刻度盘的中央.当电流从“+”接线柱流入时,指针向左摆;当电流从“-”接线柱流入时,指针向右摆.在电路接通后再断开开关S的瞬间,下述说法中正确的是 ( )
A.G1指针向右摆,G2指针向左摆
B.G1、G2的指针都向右摆
C.G1指针向左摆,G2指针向右摆
D.G1、G2的指针都向左摆
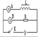
4、选择题 如图所示,A,B是两个完全相同的灯泡,L是自感系数较大的线圈,其直流电阻忽略不计。当电键K闭合时,下列说法正确的是
A、A比B先亮,然后A熄灭
B、AB一齐亮,然后A熄灭
C、B比A先亮,然后B逐渐变暗,A逐渐变亮
D、A、B一齐亮.然后A逐渐变亮.B的亮度不变
5、选择题 如图所示电路中,L为电感线圈,电阻不计,A、B为两个相同的灯泡,以下结论正确的是
A.闭合S时,A先亮,B后亮
B.闭合S时,A、B同时亮,然后B熄灭,A变亮
C.断开S时,A变亮,B熄灭
D.断开S时,A 熄灭,B变亮