时间:2020-08-09 23:05:40
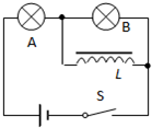
1、选择题 如图所示电路中,L为自感系数很大的电感线圈,其直流电阻不计,A、B为两相同灯泡,则下列说法不正确的是( )
A.合上S的瞬间,A、B同时亮
B.合上S的瞬间,A先亮,B后亮
C.合上S后,A逐渐变得更亮,B逐渐变暗直至熄灭
D.断开S时,A立即熄灭,B重新亮随后逐渐熄灭
参考答案:
A、B、C闭合S时,电源的电压同时加到两灯上,A、B同时亮;随着L中电流增大,由于线圈L直流电阻可忽略不计,分流作用增大,B逐渐被短路直到熄灭,外电路总电阻减小,总电流增大,A灯变亮.故AC正确,B错误.
D、断开S,A立即熄灭,线圈L中电流减小,产生自感电动势,感应电流流过B灯,B闪亮一下后熄灭.故D正确.
故选:ACD
本题解析:
本题难度:一般
2、选择题 如图所示电路中,A、B为两相同的小灯泡,L为直流电阻为零的电感线圈,下列说法正确的是
A.电源为稳恒直流电源时,灯泡A、B亮度相同
B.电源为稳恒直流电源时,灯泡A比B亮度大
C.电源为正弦交流电源时,灯泡A比B亮度大
D.电源为正弦交流电源时,灯泡A、B亮度相同
参考答案:AC
本题解析:略
本题难度:简单
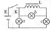
3、选择题 如图所示,三个相同的灯泡a、b、c和电阻不计线圈L与内阻不计电源连接,下列判断正确的有 ( )
A.K闭合的瞬间,b、c两灯亮度不同
B.K闭合的瞬间,a灯最亮
C.K断开的瞬间,a、c两灯立即熄灭
D.K断开之后,a、c两灯逐渐变暗且亮度相同
参考答案:BD
本题解析:略
本题难度:困难
4、选择题 如图所示,a、b灯分别标有“3.6V 4.0W”和“3.6V 2.5W”,闭合开关,调节R,能使a、b都正常发光.断开开关后重做实验,则 ( )
A.闭合开关,a将慢慢亮起来,b立即发光
B.闭合开关,a、b同时发光
C.闭合开关稳定时,a、b亮度相同
D.断开开关,a逐渐熄灭,b灯闪亮一下再熄灭
参考答案:AD
本题解析:闭合开关时,由于线圈产生自感电动势阻碍电流的增大,所以a将慢慢亮起来,b立即发光,故A正确;B错误;温度时,a、b正常发光,a、b功率不同,Ia>Ib,故亮度不同,所以C错误;断开开关,线圈产生自感电动势阻碍电流的减小,线圈、灯泡a、b组成回路电流在Ia的基础上逐渐减小到零,所以a逐渐熄灭,b灯闪亮一下再熄灭,故D正确。
考点:本题考查自感现象
本题难度:一般
5、选择题 于自感现象,下列说法中正确的是( )
A.自感现象是线圈自身的电流变化而引起的电磁感应现象
B.自感电动势总是阻止原电流的变化
C.自感电动势的方向总与原电流方向相反
D.自感电动势的方向总与原电流方向相同
参考答案:A
本题解析:自感电动势总是阻碍原电流的变化,BCD错;A对;
本题难度:简单