时间:2020-08-09 22:22:58
1、填空题 某示波器工作时,屏上显示出如图所示的波形,且亮度较弱.
(1)要将波形调到中央,应调节示波器的______旋钮和______旋钮;若要增大显示波形的亮度,应调节______旋钮.(填写示波器面板上的相应符号)
(2)此时衰减调节旋钮位于“”挡,若要使此波形横向展宽,并显示出3个完整的波形,同时要求波形波幅适当大些,需要进行的操作是______
A.将衰减调节旋钮调为“10”档
B.调节Y增益旋钮
C.调节X增益旋钮
D.调节扫描微调旋钮.
参考答案:(1)若要将波形调至屏中央,应调节竖直位移与水平位移调节旋钮,故为:垂直位移(或写为↓↑?)水平位移(或写为
?);
若要增大波形的亮度,应调节辉度调节旋钮,故为:辉度(或写为*);
(2)若要使此波形横向展宽,应调节x增益旋钮;
?若要使此波形波幅变大,应调节Y增益旋钮;
?要使屏上能够显示3个完整的波形,应调节扫描微调旋钮.故BCD正确,A错误;
故答案为:(1)
?(竖直位移旋钮)
?(水平位移旋钮)?
?(辉度调节旋钮)
(2)BCD
本题解析:
本题难度:简单
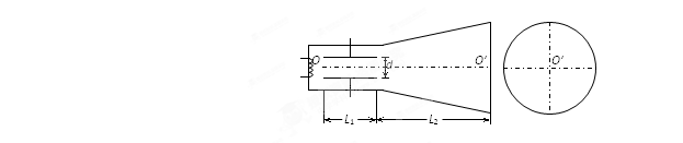
2、计算题 如图所示是示波器的示意图,竖直偏转电极的极板长L1=4cm,板间距离d=1cm。板右端距离荧光屏L2=18cm,(水平偏转电极上不加电压,没有画出)电子沿中心线进入竖直偏转电场的速度是v=1.6×107m/s,电子电量e=1.6×10-19C,质量m=0.91×10-30kg。要使电子束不打在偏转电极上,加在
竖直偏转电极上的最大偏转电压U不能超过多大?
参考答案:
91V
本题解析:
本题难度:一般
3、选择题 一个示波管,放在一通电直导线的上方,现发现示波管中的电子束向下偏转,如图所示,则此通电直导线的放置位置和电流方向为
A.直导线如图所示位置放置,电流从B流向A
B.直导线垂直于纸面放置,电流流向纸内
C.直导线如图所示位置放置,电流从A流向B
D.直导线垂直于纸面放置,电流流向纸外
参考答案:A
本题解析:示波管中的电子向下偏转,说明所受洛仑兹力方向向下,由左手定则可判断磁场方向垂直纸面向里,由通电直导线周围电场线的分布和右手螺旋定则可知电流方向水平向左,A对; BCD错误;
点评:本题难度较小,先根据粒子偏转判断洛仑兹力方向,通电直导线的电流方向根据磁场方向和右手螺旋定则来判断
本题难度:简单
4、选择题 如图是示波管的工作原理图:电子经电场加速后垂直于偏转电场方向射入偏转电场,若加速电压为U1,偏转电压为U2,偏转电场的极板长度与极板间的距离分别为L和d,y为电子离开偏转电场时发生的偏转距离.取“单位偏转电压引起的偏转距离”来描述示波管的灵敏度,即y/U2(该比值越大则灵敏度越高),则下列哪种方法可以提高示波管的灵敏度( )
A.增大U1
B.增大U2
C.减小L
D.减小d
参考答案:D
本题解析:
本题难度:一般
5、填空题 如图是示波管的原理图,它由电子枪、偏转电极(XX"和YY")、荧光屏组成,管内抽成真空。给电子枪通电后,如果在偏转电极XX"和YY"上都没有加电压,电子束将打在荧光屏的中心O点,在那里产生一个亮斑。要想让亮斑移到荧光屏的正上方,需在偏转电极__________(选填“XX"”或“YY"”)上加电压,且__________板电势高(选填“X”、“X"”、“Y”或“Y"”)。要想在荧光屏上出现一条沿水平方向展开的正弦曲线,需在偏转电极__________(选填“XX"”或“YY"”)上加扫描电压、在偏转电极__________(选填“XX"”或“YY"”)上加按照正弦规律变化的电压。
参考答案:⑵?
?
?
?
?(每空1分)
本题解析:在偏转电极XX"和YY"上都没有加电压,电子束将打在荧光屏的中心O点,要想让亮斑移到荧光屏的正上方,即让粒子在竖直方向上即
发生偏转,需要在
方向加偏转电压,电子枪发射的电子为负电荷,要让负电荷向上偏转,则上极板带正电,即
板带正电,所以
板电势高。要想在荧光屏上出现一条沿水平方向展开的正弦曲线,此为两个运动的合运动,水平方向匀速直线,竖直方向按正弦规律变化,所以
加扫描电压,
加上按正弦规律变化的电压。
本题难度:一般