高考物理知识点总结《焦耳定律》高频考点强化练习(2020年最新版)(七)

时间:2020-08-09 22:21:56

微信搜索关注"91考试网"公众号,领30元,获取事业编教师公务员等考试资料40G

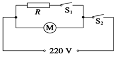
1、选择题  如图所示是某款理发用的电吹风的电路图,它主要由电动机M和电热丝R构成.当调节开关S1、S2的通断,可使电动机驱动风叶旋转,将冷空气从进风口吸入,从出风口吹出冷风或热风。已知电吹风的额定电压为220 V,吹冷风时的功率为120 W,吹热风时的功率为1 000 W.关于该电吹风,下列说法正确的是(  )

A.电热丝的电阻为55 Ω
B.当开关S2闭合、S1断开时,电吹风吹出冷风
C.当电吹风吹冷风时,电热丝每秒钟消耗的电能为1 000 J
D.当电吹风吹热风时,电动机每秒钟消耗的电能为1 120 J


参考答案:AB


本题解析:电机和电阻并联,当吹热风时,电阻消耗的功率为P=P热-P冷=1000-120W=880W,由可知,故A正确;当开关S2闭合、S1断开时,只有电动机工作,电热丝不发热,则电吹风吹出冷风,选项B正确;当电吹风吹冷风时,电热丝处于断路状态,没有电流通过,电热丝每秒钟消耗的电能为0,故C错误;当电吹风吹热风时,电动机M和电热丝R并联,电动机的功率为120W,所以每秒钟消耗的电能Q=Pt=120×1=120J,故D错误;


本题难度:一般



2、选择题  如图甲所示,理想变压器原、副线圈的匝数比为10∶1,R1=20 Ω,R2=30 Ω,C为电容器.已知通过R1的正弦交流电如图乙所示,则(  ).

A.交流电的频率为0.02 Hz
B.原线圈输入电压的最大值为200V
C.电阻R2的电功率约为6.67 W
D.通过R3的电流始终为零


参考答案:C


本题解析:变压器不改变交流电的周期和频率,据图乙可知交流电的周期为0.02 s、频率为50 Hz,A错.由图乙可知通过R1的电流最大值为Im=1 A,根据欧姆定律可知其最大电压为Um=I1mR1=20 V,再根据原副线圈的电压之比等于匝数之比可知原线圈输入电压的最大值为200 V,B错;因为电容器有通交流、隔直流的作用,则有电流通过R3和电容器,D错;根据并联电路特点,可知电阻R2的功率P2=W=6.67 W,C对.


本题难度:一般



3、计算题  (11分)如图甲所示,长、宽分别为L1="0.05" m、L2="0.04" m的矩形金属线框位于竖直平面内,其匝数为n =400,总电阻为r =1 Ω,可绕其竖直中心轴O1O2转动.线框的两个末端分别与两个彼此绝缘的铜环C、D焊接在一起,并通过电刷和一个R=9 Ω的定值电阻相连.线框所在空间有水平向右均匀分布的磁场,磁感应强度B=" 0.25" T .线框从图示位置(线框平面和磁场垂直)开始在外力的驱动下绕其竖直中心轴以角速度ω=l00rad/s匀速转动.求:

(1)电阻R消耗的电功率P;
(2)从图示位置转过90°的过程中,通过电阻R的电荷量q.


参考答案:(1)18W(2)0.02C


本题解析:







(1)匀速转动:
(2)根据:
点评:难度较小,当线圈平面与磁场方向平行时感应电动势最大,求电功率时用的是电压或电流的有效值


本题难度:一般



4、计算题  电饭锅是家庭常用的电器,电阻为48.4Ω,该电饭锅标有“220V、1000W”。
试求:(1)该电饭锅正常工作时的电流大小;
(2)若煮熟一次米饭需106J的电能,则用该电饭锅完成此次煮饭需多长时间?


参考答案:(1)(2)


本题解析:(1)解:由公式(或)? 2分
得:(或4.55A)? 2分?
(2)解:由(或)? 2分
得:(或1002.4s、998s)? 2分
点评:难度较小,牢记P=UI,W=Pt的公式


本题难度:简单



5、选择题  在图所示电路中,M是直流电动机,R是保护电阻,阻值等于1Ω,A、B间输入12V的电压,若把电动机的转子刹住,电路中的电流为8A.若使电动机的转子正常运转,通过转子线圈的电流为2A.此时电动机的输出功率为(  )

A.18 W? B.20 W?
C.22 W?D.24 W


参考答案:A


本题解析:电动机的转子刹住时有,电动机的转子正常运转输出功率为:;A正确
故选A
点评:中等难度。该问题属于非纯电阻电路问题,输入功率为P入=UI,输入电动机后分为两部分,其中一部分为机械功率,另一部分为线圈电阻的发热功率,注意转子被卡住时视为纯电阻电路。


本题难度:一般




首页 上页 6 7 8 下页 尾页 7/10/10
微信搜索关注"91考试网"公众号,领30元,获取公务员事业编教师考试资料40G
【省市县地区导航】【考试题库导航】
 ★ 高考省级导航 ★ 
全国 A安徽 B北京 C重庆 F福建 G广东 广西 甘肃 贵州 H河南 河北 湖南 湖北 黑龙江 海南 J江苏 江西 吉林 L辽宁 N内蒙古 宁夏 Q青海 S山东 山西 陕西 四川 上海 T天津 X新疆 西藏 Y云南 Z浙江
 ★ 高考信息汇总 ★ 
 ★ 高考历年真题 ★ 
 ★ 高考历年真题 ★ 
 ★ 高考题库 ★ 
 ★ 高考题库 ★ 

电脑版  |  手机版  |  返回顶部