时间:2019-12-13 02:05:36
1、简答题 若加在某导体两端的电压变为原来的3/5时,导体中的电流减小了0.4 A.如果所加电压变为原来的2倍,则导体中的电流多大?
参考答案:
?A
本题解析:依题意和欧姆定律得:
,所以I0=1.0 A
又因为
,?所以
?A
本题难度:简单
2、简答题 如图甲所示,空间存在着一个范围足够大的竖直向下的匀强磁场,磁场的磁感强度大小为B.边长为l的正方形金属框abcd(下简称方框)放在光滑的水平地面上,其外侧套着一个与方框边长相同的U形金属框架MNPQ(下简称U形框),U形框与方框之间接触良好且无摩擦.两个金属框每条边的质量均为m,每条边的电阻均为r.
(1)将方框固定不动,用力拉动U形框使它以速度v0垂直NP边向右匀速运动,当U形框的MQ端滑至方框的最右侧(如图乙所示)时,方框上的bc两端的电势差为多大?此时方框的热功率为多大?
(2)若方框不固定,给U形框垂直NP边向右的初速度v0,如果U形框恰好不能与方框分离,则在这一过程中两框架上产生的总热量为多少?
(3)若方框不固定,给U形框垂直NP边向右的初速度v(v>v0),U形框最终将与方框分离.如果从U形框和方框不再接触开始,经过时间t方框最右侧和U形框最左侧距离为s.求两金属框分离后的速度各多大.
参考答案:(1)U形框右边产生感应电动势:E=BLv0 ①
方框总电阻:R=3r?r3r+r=34r? ②
总电流:I=ER+3r?③
bc两端电势差:U=IR ④
由以上各式解得:U=15BLv0?⑤
方框热功率:P=U2R=4B2L2v2075r?⑥
(2)U形框恰好不能与方框分离,两者速度相等,设共同速度为v,由动量守恒定律,有:3mv0=(3m+4m)v ⑦
据能量转化与守恒,可知:Q=12?3mv20-12?(3m+4m)v2? ⑧
解得:Q=67mv20?⑨
(3)设分离时,U形框速度为v1,方框速度为v2,由动量守恒可知:3mv0=3mv1+4mv2 ⑩
?从U形框和方框不再接触后,都做匀速运动,则有? s=v1t-v2t (11)
解得:v1=3v7+4s7t? (12)
? v2=3v7-3s7t? (13)
答:
(1)方框上的bc两端的电势差为15BLv0,此时方框的热功率为4B2L2v2075r.
(2)这一过程中两框架上产生的总热量为67mv20.
(3)两金属框分离后的速度分别为3v7+4s7t,3v7-3s7t.
本题解析:
本题难度:一般
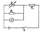
3、选择题 在如图所示的电路中,R1、R2、R3和R4皆为定值电阻,R5为可变电阻,电源的电动势为E,内阻为r。设电流表A的读数为I,电压表V的读数为U。当R5的滑动触点向图中a端移动时
[? ]
A.I变大,U变小
B.I变大,U变大
C.I变小,U变大
D.I变小,U变小
参考答案:D
本题解析:
本题难度:一般
4、选择题 如图所示的电路中,电源内阻不可忽略,若调整可变电阻R的阻值,可使电压表V的示数减小△U(电压表为理想电表),在这个过程中
A.R2两端的电压增加,增加量一定等于△U
B.流过R的电流会增加。
C.路端电压减小,减少量一定等于△U
D.△U和干路电流的变化△I的比值保持不变
参考答案:BD
本题解析:
试题分析:R1两端的电压减小,则说明R2及内阻两端的电压均增大,故R2两端的电压增加量一定小于△U,故A错误;R1两端的电压减小,电流变小,但总电流增加,流过R的电流会增加,故B正确;电压表示数增加,R2电压减小,路端电压增加量一定小于△U.故C错误;由闭合电路欧姆定律:
可知,△U和干路电流的变化△I的比值保持不变,故D正确。
考点: 闭合电路欧姆定律
本题难度:一般
5、选择题 如图所示,L1、L2是两个完全相同的灯泡,当滑片P向左滑动时,灯的亮度变化情况是( )
A.L1、L2都变亮
B.L1、L2都变暗
C.L1变亮,L2变暗
D.L2变亮,L1变暗
参考答案:当滑片P向左滑动时,变阻器接入电路的电阻增大,外电路总电阻随之增大,则总电流I减小,电源的内电压减小,路端电压U增大,L1两端的电压增大,所以L1变亮.
路端电压增大,通过L1和R0电流增大,由并联电流规律,可知通过灯泡L2电流减小,L2变暗.故C正确.
故选:C
本题解析:
本题难度:简单