时间:2019-12-13 01:36:16
1、选择题 在如图所示的电路中,当滑动变阻器的滑动触片向b端移动时
[? ]
A.伏特表V的读数增大
B.安培表A的读数增大
C.安培表A的读数减小
D.伏特表V的读数减小
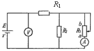
2、选择题 如图所示电路中,定值电阻R1=8Ω,R为变阻器,最大值R=10Ω,电源电动势为10V,内阻r=2Ω。移动变阻器的触片,A、B两点电压的变化范围(A、B两点未接任何元件):
A . 0~10V? B. 5~10V?
C . 0~5V? D. 5~12V
3、简答题 如图所示,直角三角形导线框abc固定在匀强磁场中,ab是一段长为l1=0.6m、单位长度电阻为r=3Ω/m的均匀导线,ac和bc的电阻可不计,bc长度为l2=0.3m.磁场的磁感强度为B=0.5T,方向垂直纸面向里.现有一段长度为L=0.3m、单位长度电阻也为r=3Ω/m的均匀导体杆MN架在导线框上,开始时紧靠a点,然后沿ab方向以恒定速度v=1.2m/s向b端滑动,滑动中始终与bc平行并与导线框保持良好接触.
(1)导线框中有感应电流的时间是多长?
(2)当导体杆MN滑到ab中点时,导线bc中的电流多大?方向如何?
(3)求导体杆MN自a点至滑到ab中点过程中,回路中感应电动势的平均值.
(4)找出当导体杆MN所发生的位移为x(0<x≤0.6m)时,流经导体杆的电流表达式;并求当x为何值时电流最大,最大电流是多少?
4、简答题 如图(a)所示,半径为r1的圆形区域内有均匀磁场,磁感应强度为B0,磁场方向垂直纸面向里,半径为r2的阻值为R的金属圆环与磁场同心放置,圆环与阻值也为R的电阻R1连结成闭合回路,一金属棒MN与金属环接触良好,棒与导线的电阻不计,
(1)若棒以v0的速率在环上向右匀速滑动,求棒滑过圆环直径的瞬时(如图所示)MN中的电动势和流过R1的电流大小与方向;
(2)撤去中间的金属棒MN,若磁感应强度B随时间t变化的关系图线如图(b)所示,图线与横、纵轴的截距分别为t0和B0,求0至t0时间内通过电阻R1上的电量q及电阻R1上产生的热量.
5、选择题 2011年7月6日18时45分,山东省枣庄防备煤矿有限公司井下255米处一台空气压缩机着火,初步核查造成事故区域36名矿工被困。井内装有火警报警器,如图是其部分电路示意图。其中R2为用半导体热敏材料(其阻值随温度的升高而迅速减小)制成的传感器,电流表A为值班室的显示器,B为值班室报警电铃。当传感器R2所在处出现火情时,电流表A显示的电流I、报警电铃两端的电压U的变化情况是?
[? ]
A.I变大,U变大?
B.I变小,U变小?
C.I变小,U变大?
D.I变大,U变小