时间:2019-12-13 01:36:16
1、选择题 如图,E为内阻不能忽略的电池,R1、R2、R3为定值电阻,S0、S为开关,V与A分别为电压表与电流表。初始时S0与S均闭合,现将S断开,则 
[? ]
A. V的读数变大,A的读数变小
B. V的读数变大,A的读数变大
C. V的读数变小,A的读数变小
D. V的读数变小,A的读数变大
参考答案:B
本题解析:
本题难度:一般
2、选择题 固定不动的绝缘直导线MN和可以自由移动的矩形线圈ABCD在同-平面内,MN与AD.BC边平行并较靠近AD边,当导线和线圈中通以如图所示的电流时,线圈的运动情况是( )
A.静止不动
B.向左方移动
C.向右方移动
D.绕MN为轴转动
参考答案:根据同向电流相互吸引、异向电流相互排斥,则知,MN对AD的安培力向左,对BC的安培力向D左,由于AD靠近MN,则MN对AD的安培力大于对BC的安培力,线圈所受的安培力合力方向向左,则线圈将向左运动.故B正确.
故选B
本题解析:
本题难度:简单
3、选择题 .如图所示,电源电动势为E,内阻为r,合上开关S后各电灯都能发光.如果某一时刻灯L1的灯丝烧断,之后各灯虽亮度变化,但并未损坏,则(? )
A.L3变亮,L2、L4变暗
B.L2、L3变亮,L4变暗
C.L4变亮,L2、L3变暗
D.L3、L4变亮,L2变暗
参考答案:B
本题解析:L1的灯丝烧断即该支路断路,即
并联电路的总电阻增大,所以电路的路端总电阻增大,故电路路端电压增大,即
两端的电压增大,通过
的电流增大,所以
变亮,因为电路的总电流减小,所以通过
支路的电流减小,故通过
的电流减小,所以
变暗,
两端的电压减小,又因为
支路两端电压增大,所以
两端电压升高,即通过
的电流相比于
烧断前的电流是变大了,故
变亮,所以B正确。
本题难度:一般
4、选择题 电源的效率η定义为外电路电阻消耗的功率与电源的总功率之比.在测电源电动势和内电阻的实验中得到的实验图象如图所示,图中U为路端电压,I为干路电流,a、b为图象上的两点,相应状态下电源的效率分别为ηa、ηb.由图可知ηa、ηb的值分别为(? )

参考答案:D
本题解析:本题主要考查电源效率的理解与计算.在闭合电路中,电源的效率
也是外电压与电动势之比,也等于外电阻与总电阻之比.设图中每一小格数值为k,由图象知,电源的电动势为6kV,a和b对应的外电压分别是4kV和2kV,由此知D项正确.
本题难度:一般
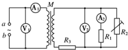
5、选择题 冬季是火灾频发的季节,为了及早发现火灾,小明制作了一个火警报警器,其原理如图所示,M是一小型理想变压器,接线柱a、b接在电压U=311sin314t(V)的正弦交流电源上,变压器右侧部分为一火警报警系统原理图(报警器未画出),其中R2为用半导体热敏材料制成的传感器,R1与R3为定值电阻.当传感器R2所在处出现火警时,以下说法正确的是( )
A.A1的示数不变,A2的示数增大
B.V1的示数不变,V2的示数增大
C.V1的示数增大,V2的示数减小
D.A1的示数增大,A2的示数减小
参考答案:当传感器R2所在处出现火情时,R2的电阻减小,导致电路的总的电阻减小,所以电路中的总电流将会增加,A1测量的是原线圈中的总的电流,由于副线圈的电流增大了,所以原线圈的电流A1示数也要增加;由于电源的电压不变,原副线圈的电压也不变,所以V1的示数不变,由于副线圈中电流增大,R3的电压变压变大,所以V2的示数要减小,即R1的电压也要减小,所以A2的示数要减小,所以D正确.
故选D.
本题解析:
本题难度:一般