时间:2019-12-13 01:20:58
1、选择题 一个质量为m,带电量为+q的小球自由下落一段时间后,进入一个水平向右的匀强电场,场强大小为E=
| mg q |




参考答案:粒子在水平方向做初速度为零的匀加速直线运动,因E=mgq,故电场力F=Eq=mg; 故水平向右的方向加速度也为g;所以合加速度沿45°方向向下;而竖直方向初速度不为零,故可以将小球的运动看作是竖直向下的匀速直线运动和45°的匀加速直线运动,即相当于粒子向下运动,受斜向下的外力作用,其轨迹由竖直方向偏向45°角方向,但不会超过45°角方向或与45°角方向平行.故只有C正确;
故选C.
本题解析:
本题难度:简单
2、实验题 用一段长约为80 cm的金属丝做“测定金属的电阻率”的实验。
(1)用多用表粗测电阻丝的电阻,结果如图甲所示,由此可知电阻丝电阻的测量值约为___________Ω。
(2)用螺旋测微器测量金属丝的直径,结果如图乙所示,由此可知金属丝直径的测量值为___________mm。
(3)在用电压表和电流表测金属丝的电阻时,提供下列供选择的器材
A.直流电源(电动势约为4.5 V,内阻很小)
B.电压表(量程0~3 V,内阻约3 kΩ)
C.电压表(量程0~15 V,内阻约15 kΩ)
D.电流表(量程0~0.6 A,内阻约0.125 Ω)
E.电流表(量程0~3 A,内阻约0.025 Ω)
F.滑动变阻器(阻值范围0~15 Ω,最大允许电流1 A)
G.滑动变阻器(阻值范围0~200 Ω,最大允许电流2 A)
H.开关、导线
要求有较高的测量精度,并能测得多组数据,在供选择的器材中,电流表应选择___________,电压表应选择___________,滑动变阻器应选择___________(填字母代号)。
(4)根据上面选择的器材,完成图丙中实验电路的连接。
参考答案:(1)6
(2)0.933~0.936
(3)D,B,F
(4)
本题解析:
本题难度:一般
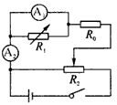
3、实验题 在测定满偏电流为2.5 mA,内阻约为50 Ω的电流表A1的内电阻的实验中,备用的器材有:
A.标准电流表A2(量程0~3 mA)
B.标准电压表V(量程0-15 V)
C..保护电阻R0(阻值100Ω)
D电阻箱R1(阻值范围0~999.9 Ω)
E.电源(电动势1.5 V,有内阻)
F.滑动变阻器R2(阻值范围0-20Ω,额定电流1.5 A)
另有若干导线和开关
(1)根据列出的器材,设计一种电路尽量准确地测出电流表的内阻。并根据设计的电路写出电流表内阻的表达式(用字母表示,要注明式中各个字母的含义)。
(2)测出A1的内电阻后,某同学设计了如图所示的电路,将电流表A1改装成0~0.6 A和0~3 A 两个量程的电流表,按该同学的设计,当开关S与a点接通时电流表的量程为_____________A;当开关S接b时,若电流表A1的内电阻为RA,则
=_____________。 
参考答案:(1)
(2)3,239
本题解析:
本题难度:困难
4、选择题 下列粒子从初速度为零的状态经加速电压为U的电场后,哪种粒子速度最大( )
A.质子
B.氘核
C.氦核(α粒子)
D.钠离子Na+
参考答案:设加速电场的电压为U,粒子的质量和电量分别为m和q,根据动能定理得
? qU=12mv2
得 v=
本题解析:
本题难度:一般
5、计算题 一个带正电的微粒,从A点射入水平方向的匀强电场中,微粒沿直线AB运动,如图,AB与电场线夹角θ=30°,已知带电微粒的质量m=1.0×10-7kg,电量q=1.0×10-10C,A、B相距L=20cm。(取g=10m/s2 ,结果保留二位有效数字)求:
(1)说明微粒在电场中运动的性质,要求说明理由。
(2)电场强度的大小和方向?
(3)要使微粒从A点运动到B点,微粒射入电场时的最小速度是多少? 
参考答案:解:(1)微粒只在重力和电场力作用下沿AB方向运动,在垂直于AB方向上的重力和电场力必等大反向,可知电场力的方向水平向左,微粒所受合力的方向由B指向A,与初速度vA方向相反,微粒做匀减速运动。
(2)在垂直于AB方向上,有qEsinθ-mgcosθ=0
所以电场强度E=1.7×104N/C ,电场强度的方向水平向左。
(3)微粒由A运动到B时的速度vB=0时,微粒进入电场时的速度最小,
由动能定理得, mgLsinθ+qELcosθ=
代入数据,解得vA=2.8m/s
本题解析:
本题难度:一般