时间:2019-07-11 04:31:12
1、简答题 如图所示为交流发电机示意图,匝数为n=100匝的矩形线圈,边长分别为?10cm和20cm,内阻为?5Ω,在磁感应强度B=0.5T的匀强磁场中绕OO′轴以50
| 2 |

参考答案:(1)感应电动势最大值
Em=nBSω=100×0.5×0.1×0.2×50
本题解析:
本题难度:一般
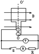
2、选择题 如图所示,N匝矩形导线框以角速度ω在磁感应强度为B的匀强磁场中绕轴OO′匀速转动,线框面积为S,线框的电阻、电感均不计,外电路接有电阻R、理想交流电流表
和二极管D.二极管D具有单向导电性,即正向电阻为零,反向电阻无穷大.下列说法中不正确的是( )
A.图示位置电流表的示数为0
B.R两端电压的有效值U=
ω
C.一个周期内通过R的电荷量q=
D.交流电流表的示数I=
|

参考答案:A、矩形闭合导线框在磁场中转动,产生的交流电的电压最大值为:
Em=NBsω
二极管具有单向导电性,一个周期中只有一半时间电路中有电流,根据电流的热效应得:
(Em
本题解析:
本题难度:简单
3、选择题 如图所示,边长为L的正方形线圈abcd?其匝数为n总电阻为r外电路的?电阻为R,ab的中点和cd的中点的连线OO′恰好位于匀强磁场的边界线上,磁场的磁感应强度为B,若线圈从图示位置开始,以角速度ω绕OO′轴匀速转动,则以下判断中正确的是( )
A.闭合电路中感应电动势的瞬时表达式e=nBL2ωsinωt
B.在t=
时刻,磁场穿过线圈的磁通量为零,但此时磁通量随时间变化最快
C.从t=0?时刻到t=
时刻,电阻R上产生的热量为?Q
D.从t=0?时刻到t=
时刻,通过R的电荷量q=

参考答案:BCD
本题解析:
本题难度:简单
4、选择题 图是某种正弦式交变电压的波形图,由图可确定该电压的( )
A.周期是0.01S
B.最大值是311V
C.有效值是220V
D.表达式为U=220sin100πt(V)
参考答案:BC
本题解析:
本题难度:一般
5、选择题 如图所示,矩形导体线圈abcd在匀强磁场中绕垂直于磁感线的对称轴OO′匀速转动,沿着OO′方向观察,线圈沿逆时针方向转动.已知匀强磁场的磁感强度为B,线圈匝数为n,ab边的边长为l1,ad边的边长为l2,线圈电阻为R,转动的角速度为ω,则当线圈转至图示位置时( ? )
A.线圈中感应电流的方向为abcda
B.线圈中的感应电动势为2nBl2ω
C.穿过线圈磁通量随时间的变化率最大
D.线圈ad边所受安培力的大小为

参考答案:CD
本题解析:
本题难度:一般