时间:2019-07-11 04:31:12
1、选择题 某交变电压的瞬时表达式是u=311sin314tV,则( )
A.此交流电的峰值是311V,频率是314Hz
B.此交流电的峰值311V,频率是50Hz
C.此交流电的峰值是220V,频率是314Hz
D.此交流电的峰值220V,频率是50Hz
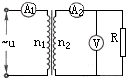
2、选择题 如图所示,一理想变压器原线圈的匝数n1=1100匝,副线圈的匝数n2=220匝,交流电源的电压u=220
sin(100πt)V,电阻R=44Ω,电压表、电流表均为理想电表,则下列说法中正确的是( )
A.交流电的频率为100Hz
B.电压表的示数为44V
C.电流表A2的示数约为1.4A
D.电流表A1的示数为0.2A
3、选择题 某正弦式交流电电压的最大值是310V,用交流电压表测量该交流电的电压,电压表的示数最接近( )
A.310V
B.220V
C.380V
D.155V
4、选择题 如图甲所示的电路中,理想变压器原、副线圈匝数比为5:l,原线圈接入图乙所示的电压,副线圈接火灾报警系统?(报警器未画出),电压表和电流表均为理想电表,R0为定值电阻,R为半导体热敏电阻,其阻值随温度的升高而减小.下列说法中正确的是( )
A.图乙中电压的有效值为110
V
B.电压表的示数为44V
C.R处出现火警时电流表示数增大
D.R处出现火警时电阻R0消耗的电功率增大
5、选择题 如图是某交变电压u随时间t变化的图象,下面关于该交流电的说法中正确的是( )
A.电压最大值是220
V
B.电压有效值是220V
C.交流电的频率是50Hz
D.交流电的周期是2s