时间:2019-07-11 04:02:08
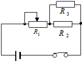
1、简答题 电源的电动势为E=15V,内阻为r=2Ω,外电路定值电阻R2=R3=6Ω,可变电阻R1任意可调.闭合开关调节R1,求:
(1)当将R1调到2.5Ω时电源的输出功率;
(2)R2上功率的最大值.
2、选择题 一台直流电动机额定电压为100V,正常工作时电流为20A,线圈内阻为0.5Ω,那么在1min内
[? ]
A.电动机线圈产生的热量为1.2×105J
B.电动机消耗的电能为1.2×104J
C.电动机对外做功1.2×105J
D.电源输入给电动机的功率为2.0kW
3、填空题 有一直流电动机的内阻为4.4Ω,它和一盏标有“110V?60W”的灯泡串联后接在电压恒为220V的电路两端,灯泡正常发光,则电动机的发热功率为______W,电动机的输出功率为______W.
4、填空题 一台电动机,额定电压是220V,电阻是0.8Ω,在正常工作时通过的电流是10A,则每秒钟电流做的功是 J,电动机每秒对外做功是 J。
5、选择题 四盏灯连接如图所示,灯L1、L2上标有“110V、100W”,灯L3、L4标有“110V、40W”,当在A、B两点加上220V电压时,在这四盏灯中实际消耗功率最小和最大的灯泡分别是( )
A.L1和L2
B.L1和L3
C.L3和L4
D.L2和L4