时间:2019-07-11 03:49:27
1、选择题 下列说法中错误的是( )
A.磁卡的记录原理是电磁感应现象,读取原理是电流的磁效应
B.日光灯在正常发光时,启动器中的动触片与静触片是分开的
C.电磁炉是利用涡流的热效应来加热物体的
D.电动机、变压器的铁芯用硅钢片代替整块铁芯是为了减小涡流损失
2、选择题 插有铁芯的线圈(电阻不能忽略)直立在水平桌面上,铁芯上套一铝环,线圈与电源、开关相连。以下说法中正确的是
A.闭合开关的瞬间铝环跳起,开关闭合后再断开的瞬间铝环又跳起
B.闭合开关的瞬间铝环不跳起,开关闭合后再断开的瞬间铝环也不跳起
C.闭合开关的瞬间铝环不跳起,开关闭合后再断开的瞬间铝环跳起
D.闭合开关的瞬间铝环跳起,开关闭合后再断开的瞬间铝环不跳起
3、计算题 如图所示,半径为a的圆环电阻不计,放置在垂直于纸面向里,磁感应强度为B的匀强磁场中,环内有一导体棒电阻为r,可以绕环匀速转动.将电阻R,开关S连接在环和棒的O端,将电容器极板水平放置,并联在R和开关S两端。已知两板间距为d。
(1)开关S断开,极板间有一带正电q,质量为m的微粒恰好静止,试判断OM的转动方向和角速度的大小.
(2)当S闭合时,该带电粒子以
?g的加速度向下运动,则R是r的几倍?
4、选择题 如图所示,一光滑平行金属轨道平面与水平面成θ角,两导轨上端用一电阻R相连,该装置处于匀强磁场中,磁场方向垂直轨道平面向上.质量为m的金属杆ab,以初速度v0从轨道底端向上滑行,滑行到某一高度h后又返回到底端.若运动过程中,金属杆保持与导轨垂直且接触良好,并不计金属杆ab的电阻及空气阻力,则( )
A.上滑过程的时间比下滑过程长
B.上滑过程中安培力的冲量比下滑过程大
C.上滑过程通过电阻R的电量比下滑过程多
D.上滑过程通过电阻R产生的热量比下滑过程多
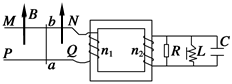
5、选择题 如图所示,MN和PQ为两个光滑的电阻不计的水平金属导轨,变压器为理想变压器,今在水平导轨部分加一竖直向上的匀强磁场,则以下说法中不正确的是(?)
A.若ab棒匀速运动,则IR≠0,IL≠0,IC=0
B.若ab棒匀速运动,则IR=0,IL =0,IC =0
C.若ab棒固定,磁场按B=Bm sinωt的规律变化,则IR≠0,IL≠0,IC≠0
D.若ab棒做匀加速运动,IR≠0,IL≠0,IC≠0