时间:2019-07-11 03:46:14
1、计算题 如图甲所示,固定在水平桌边上的“ ”型平行金属导轨足够长,倾角为53º,间距L=2m,电阻不计;导轨上两根金属棒ab、cd的阻值分别为R1=2Ω,R2=4Ω,cd棒质量m1=1.0kg,ab与导轨间摩擦不计,cd与导轨间的动摩擦因数μ=0.5,设最大静摩擦力等于滑动摩擦力,整个导轨置于磁感应强度B=5T、方向垂直倾斜导轨平面向上的匀强磁场中。现让ab棒从导轨上某处由静止释放,当它刚要滑出导轨时,cd棒刚要开始滑动;g取10m/s2,sin37 º ="cos53" º =0.6,cos37 º =" sin53" º =0.8。
(1)在乙图中画出此时cd棒的受力示意图,并求出ab棒的速度;
(2)若ab棒无论从多高的位置释放,cd棒都不动,则ab棒质量应小于多少?
(3)假如cd棒与导轨间的动摩擦因数可以改变,则当动摩擦因数满足什么条件时,无论ab棒质量多大、从多高位置释放,cd棒始终不动?
参考答案:(1)1.5m/s(2)3.125kg(3)μ≥0.75
本题解析:(1)ab棒沿斜面滑下切割磁感线产生的感应电流的方向是b→a→c→d→b;
因为当ab棒从导轨刚要滑出时,cd棒刚要开始滑动,其受力分析如图所示。
由受力分析得:
①,
②
且:
③,解得:I=2.5A ④
根据法拉第电磁感应定律:E="BLv" ⑤
闭合电路的欧姆定律:
⑥
解得:v=1.5m/s ⑦
(2)ab棒在足够长的轨道下滑时,最大安培力只能等于自身重力的分力,有:
⑧
因ab棒与cd棒串联,故所受最大安培力相等 ⑨
要使cd棒不能滑动,需:
⑩
以上两式联立解得:mab≤3.125kg 11
(3)ab棒下滑时,cd棒始终静止,有:
12
解得:
13
当ab棒质量无限大,在无限长轨道上最终一定匀速运动,安培力F/A趋于无穷大,有:
=0.7514
考点:法拉第电磁感应定律;楞次定律;物体的平衡。
本题难度:困难
2、简答题 如图所示,闭合的单匝线圈放在匀强磁场中,以角速度ω=300弧度/秒绕中心轴oo′逆时针匀速转动(沿oo′方向看).oo′轴垂直磁场方向,线圈ab的边长为0.1米,bc边长为0.2米,线圈的总电阻R=0.05欧,B=0.5特,从中性面开始转动,求:
(1)单匝线圈的最大感应电动势是多少?位置如何?
(2)由中性面开始转过90°时,平均感应电动势是多少?
(3)由中性面开始转过90°时外力做功是多少?
参考答案:(1)当线圈处于与中性面垂直的位置时(即磁场的方向与线圈平面平行),此时感应电动势最大.
E=2BLabv
又v=Lbc2ω,
则有:E=BLabLbcω=0.5×0.1×0.2×300V=3V.
(2)根据法拉第电磁感应定律得,平均感应电动势为:
.E=△Φ△t=BLabLbcπ2ω=0.5×0.1×0.2π2300=6πV.
(3)感应电动势的峰值为:
Em=BLabLbcω=0.5×0.1×0.2×300V=3V.
则有效值为:E=Em
本题解析:
本题难度:一般
3、选择题 图中为地磁场磁感线的示意图,在南半球地磁场的竖直分量向上,飞机在南半球上空匀速飞行,机翼保持水平,飞机高度不变,由于地磁场的作用,金属机翼上有电势差.设飞行员左方机翼末端处的电势为U1,右方机翼末端处的电势为U2
A.若飞机从西往东飞,U1比U2高;
B.若飞机从东往西飞,U2比U1高;
C.若飞机从南往北飞,U1比U2高;
D.若飞机从北往南飞,U2比U1高;
参考答案:BD
本题解析:跟据右手定则,磁感线穿掌心(掌心向下),拇指指导体运动方向,四指指高电势,可知四指始终指右端,即U2比U1高。选BD
本题难度:简单
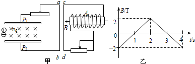
4、选择题 如图甲所示,等离子气流(由高温高压的等电量的正、负离子组成)由左方连续不断地以速度v0射入P1和P2两极板间的匀强磁场中,ab直导线与P1、P2相连接,线圈A与直导线cd相连接,线圈A内存在如图乙所示的变化磁场,且磁感应强度B的正方向规定为向左,则下列叙述正确的是( )
A.0~1s内ab、cd导线互相排斥
B.1~2s内ab、cd导线互相吸引
C.2~3s内ab、cd导线互相吸引
D.3~4s内ab、cd导线互相排斥
参考答案:左侧实际上为等离子体发电机,将在ab中形成从a到b的电流,由图乙可知,0-2s内磁场均匀变化,根据楞次定律可知将形成从c到d的电流,同理2-4s形成从d到c的电流,且电流大小不变,故0-2s秒内电流同向,相互吸引,2-4s电流反向,相互排斥,故AC错误,BD正确.
故选BD.
本题解析:
本题难度:简单
5、填空题 如图所示,A、B两个闭合线圈用同样的导线制成,匝数都为10匝,半径rA=2rB,图示区域内有磁感应强度均匀减小的匀强磁场,则A、B线圈中产生的感应电动势之比为EA :EB=________,线圈中的感应电流之比为IA:IB=________。
参考答案:1:1;1:2
本题解析:
本题难度:一般