时间:2019-07-11 03:31:45
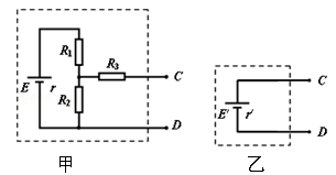
1、计算题 如图甲所示电路中,电源电动势E=12V,内阻r=2Ω,R1=4Ω,R2=6Ω,R3=3Ω。
(1)图甲中虚线框内的电路可等效为一个电源,即图甲可等效为图乙,其等效电动势E′等于CD间未接入用电器时CD间的电压;若用导线直接将CD两点连接起来,通过该导线的电流等于等效电源的短路电流,则等效电源的内电阻r′是多少?
(2)若在C、D间连一个“6V,3W”的小灯泡,则小灯泡的实际功率是多少?(不考虑小灯泡的电阻率随温度的变化)
2、简答题 一个标有“6V、3W”的灯泡,不考虑其电阻随温度的变化.求:
(1)正常工作时电流多大?
(2)它的电阻为多大?
(3)现给定一电动势为9V,内阻为0.4Ω的电源与灯泡相连,要想使灯泡正常发光,应在电路中串联一多大阻值的电阻?
3、选择题 由粗细均匀的电阻丝围成的正方形线框置于有界的匀强磁场中,磁场方向垂直于线框平面,其边界与正方形线框各边平行,如图所示.现使线框以同样大小的速率沿四个不同方向在磁场中平移,如图所示,设b点的电势为零,则在移动过程中线框上a点电势最高的是( )
A.
B.
C.
D.
4、选择题 电动势为E、内阻为r的电源,与定值电阻R1、R2、R3连接成如图所示的电路.当开关S闭合时( )
A.电压表和电流表的示数均减小
B.电压表和电流表的示数均增大
C.电压表的示数减小,电流表的示数增大
D.电压表的示数增大,电流表的示数减小
5、填空题 如图所示
光滑的平行导轨PQ、MN水平放置,导轨的左右两端分别接定值电阻,R1=2Ω,R2=4Ω。电阻不计的金属棒ab与PQ、MN垂直,并接触良好。整个装置处于方向竖直向下、磁感应强度B=0.4T的匀强磁场中。已知平行导轨间距L=0.5m,现对ab施加一水平向右的外力F使之以v=5m/s的速度向右匀速运动,则F的大小为 N,R1消耗的功率为 W。