时间:2019-07-03 00:38:52
1、选择题 
A.
、
时刻通过线圈的磁通量变化率最大
B.
、
时刻线圈中感应电流方向改变
C.0时刻开始,线圈中产生的交流电为正弦交流电
D.
、
时刻线圈中感应电动势最大
参考答案:D
本题解析:通过线圈的磁通量
时刻B最大,
最大,而磁通量的变化率
,线圈中感应电动势为0,线圈中的感应电流为0,感应电流方向改变,A错误;
、
时刻线圈中
=0,而磁通量的变化率
最大,线圈中感应电动势最大,线圈中的感应电流最大,电流方向不变,B错误;D正确;0时刻为开始计时时刻,线圈中
=0,而感应电流最大,所以线圈中产生的电流为余弦交流电,C错误。
本题难度:简单
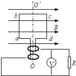
2、简答题 如图所示,一个边长L=10cm,匝数N=100匝的正方形线圈abcd在匀强磁场中绕垂直于磁感线的对称轴OO′匀速转动,磁感应强度B=0.50T,角速度ω=10πrad/s,外电路电阻R=4.0Ω,线圈内阻r=1.0Ω.
(1)求线圈转动的周期和感应电动势的最大值;
(2)写出线圈由图中所示位置开始计时时,感应电动势的瞬时表达式;
(3)求交流电压表的示数.
参考答案:(1)根据公式:T=2πω=2π10πs=0.2s,
根据Em=NBωS,可得感应电动势的最大值:
Em=100×0.5×0.1×0.1×10πv=15.7(v)
(2)由于线框垂直于中性面开始计时,
所以电动势瞬时值的表达式:e=15.7cos10πt
(3)电流的最大值:Im=EmR+r=15.74+1A=3.14A,
转动过程中,交流电压表的示数为有效值,
所以U=
本题解析:
本题难度:一般
3、计算题 图当线圈以P为轴,从图示位置开始匀速转动。已知B为1.5T,AB为10cm,BC为4cm,角速度ω=2πrad/s。线圈电阻R=0.12Ω
(1)求其感应电动势的最大值
(2)求线圈转过90度的过程中,流过线圈的电量
(3)求线圈转过90度的过程中,线圈的发热量
参考答案:(1)Em=BSω=0.012π(V)? 6分
(2) E平=
=
? 2分
I平=
? 2分
Q=I平×Δt=
="0.05" C? 2分
(3)Q热="I2Rt?" 2分
t
? 2分
Q热=6×10-6π3J
本题解析:略
本题难度:简单
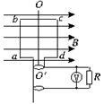
4、计算题 交流发电机矩形线圈边长ab="cd=0.4" m,bc="ad=0.2" m,共50匝,线圈电阻r="1" Ω,线圈在B="0.2" T的匀强磁场中,绕垂直磁场方向的来源:91考试网 91EXAm.org轴OO′以200 rad/s的角速度匀速转动,外接电阻R=7Ω,如图所示。求:
(1)从图示位置开始计时,线圈中产生的感应电动势大小随时间变化的函数表达式;
(2)电压表读数;
(3)电阻R上的电功率。
参考答案:(1)e = Emax cos(ωt) 160 cos(200t) (V)(2)98.98V(3)1400W
本题解析:(1)?根据公式可得:Emax = nBSω="160" V?(2分)
e = Emax cos(ωt) 160 cos(200t) (V)?(1分)
(2) 根据闭合回路欧姆定律得:I有效=Emax/
(R+r)= 10
A?(2分)
电压表读数为U有效=I有效R=70
V="98.98V" ?(2分)
(3) 根据公式可得: PR= I有效2R=1400W?(3分)
点评:本题考查交变电流最大值、有效值的理解和应用的能力,对于交流电表的测量值、计算交流电功率、电功等都用到有效值.
本题难度:一般
5、计算题 (8分)如图(a)所示是旋转电枢式交流发电机的示意图,电枢的电阻r=5Ω,灯泡电阻R=95Ω,图(b)所示是电枢匀速转动时产生正弦式电流的电动势随时时间变化的图象。
(1)线圈产生的电动势在什么位置为零?在什么位置最大?
(2)电动势的峰值、周期和频率各多少?
(3)写出电流的瞬时值的表达式?
(4)电压表和电流表的读数各是多少?
参考答案:(1)线圈平面与中性面重合位置电动势为零,与中性面垂直位置电动势最大。
(2)电动势峰值311V,周期0.02s,频率50HZ。
(3)i=3.11sin100πt A。
(4)209V? 2.2A。
本题解析:(1)线圈平面与中性面重合位置电动势为零,与中性面垂直位置电动势最大。
(2)电动势峰值311V,周期0.02s,频率50HZ。
(3)i=3.11sin100πt A。
(4)209V? 2.2A。
本题考查交变电流的产生和瞬时值表达式、有效值的公式应用,在中性面时感应电动势最大,由图像直接读出峰值、周期
本题难度:一般