时间:2019-07-02 23:57:32
1、计算题 如图所示,小球从离地h=5m高,离竖直墙水平距离s=4m处水平抛出,不计空气阻力,(取g=10m/s2)则:
(1)若要使小球碰不到墙,则它的初速度应满足什么条件?
(2)若以v0=8m/s的初速度向墙水平抛出小球,碰撞点离地面的高度是多少?
参考答案:(1)v<4m/s(2)3.75m
本题解析:(1)若小球恰好落到墙角,利用平抛运动规律:
(2分)?
(2分)
联立解得v=4m/s,
要使小球碰不到墙,则它的初速度应满足v<4m/s?(1分)
(2)设碰撞点离地面高度是h′则:
(1分?
(1分)?
h′=h-y=3.75m
点评:解决本题的关键知道平抛运动在竖直方向上做自由落体运动,在水平方向上做匀速直线运动,两运动具有等时性.
本题难度:简单
2、简答题 如图所示,在一个足够长的斜面上,从A处水平抛出一小球,若抛出时的小球速度为15m/s,g取10m/s2.求:
(1)小球在空中运动的时间.
(2)落到斜面上B处时的速度为多大?
参考答案:(1)小球做平抛运动,根据平抛运动的分位移公式,有:
水平方向:x=v0t
竖直方向:y=12gt2
由几何关系得到:tan30°=yx
解得:t=2v0tan30°g=2×15×
本题解析:
本题难度:一般
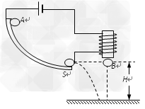
3、选择题 如图所示,在研究平抛运动时,小球A沿轨道滑下,离开轨道末端(末端水平)时撞开接触开关S ,被电磁铁吸住的小球B同时自由下落,改变整个装置的高度H做同样的实验,发现位于同一高度的A、B两个小球总是同时落地,该实验现象说明了A球在离开轨道后
[? ]
A.水平方向的分运动是匀速直线运动
B.水平方向的分运动是匀加速直线运动
C.竖直方向的分运动是自由落体运动
D.竖直方向的分运动是匀速直线运动
参考答案:C
本题解析:
本题难度:一般
4、选择题 如图所示,在一竖直面内,小球a从距地面高度为H的点,以初速度va沿水平方向抛出,经时间t落到地面上的P点,若不计空气阻力,则( )
A.若va增加,H保持不变,则小球在空中的运动时间增加
B.若va增加,H保持不变,则小球在空中的运动时间不变
C.若H增加,va保持不变,则小球的落地点仍为P点
D.若H增加,va保持不变,则小球的落地点在P点左侧
参考答案:
A、B、小球做平抛运动,竖直方向做自由落体运动,则有:H=12gt2,t=
本题解析:
本题难度:一般
5、选择题 如图所示,倾角为θ的斜面长为L,在顶端水平抛出一小球,小球刚好落在斜面的底端,那么,小球初速度v0的大小为( )
A.cosθ
B.cosθ
|