时间:2019-07-02 23:33:24
1、选择题 将物体以60J的初动能竖直向上抛出,当它上升至某点P时,动能减为10J,机械能损失10J,若空气阻力大小不变,那么物体落回抛出点的动能为( )
A.36J
B.40J
C.48J
D.50J
参考答案:设物体的重力大小为G,空气阻力大小为f,抛出点到P点的高度为h,抛出点到最高点的高度为H.
从抛出点到P点过程,
根据动能定理得:-Gh-fh=△Ek=10J-60J=-50J? ①
由功能关系得:-fh=△E=-10J? ②
由上两式得到:f:G=1:4
从抛出点到最高点过程,
根据动能定理得:-GH-fH=△Ek=-60J=-60J?
将f:G=1:4代入得到
-4fH-fH=-60J
有fH=12J
则物体从抛出到落回抛出点的整个过程中,物体克服空气阻力做功为2fH=24J,机械能总损失为24J,所以
物体落回抛出点的动能为60J-24J=36J.
故选A
本题解析:
本题难度:一般
2、选择题 (选考题)如图所示,一个长为L,质量为M的长方形木板,静止在光滑水平面上,一个质量为m的物块(可视为质点),以水平初速度
,从木板的左端滑向另一端,设物块与木板间的动摩擦因数为
,当物块与木板达到相对静止时,物块仍在长木板上,物块相对木板的位移为d,木板相对地面的位移为s。则在此过程中
A.摩擦力对木板做功为
B.摩擦力对物块做功为
C.木板动能的增量为
D.系统由于摩擦而产生的热量为
参考答案:BCD
本题解析:略
本题难度:简单
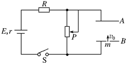
3、简答题 如图所示的电路中,两平行金属板A、B水平放置,两板间的距离d=40cm.电源电动势E=24V,内电阻r=1Ω,电阻R=15Ω.闭合开关S,待电路稳定后,将一带正电的小球从B板小孔以初速度v0=4m/s竖直向上射入板间.若小球带电量为q=1×10-2?C,质量为m=2×10-2?kg,不考虑空气阻力.那么,滑动变阻器接入电路的阻值为多大时,小球恰能到达A板?此时,电源的输出功率是多大?(取g=10m/s2)
参考答案:(1)小球进入板间后,受重力和电场力作用,且到A板时速度为零.
设两板间电压为UAB
由动能定理得
-mgd-qUAB=0-12mv2?①
∴滑动变阻器两端电压?
U滑=UAB=8?V?②
设通过滑动变阻器电流为I,由欧姆定律得
I=E-U滑R+r=1A?③
滑动变阻器接入电路的电阻?
R滑=U滑I=8Ω?④
即滑动变阻器接入电路的阻值为8Ω时,小球恰能到达A板.
(2)电源的输出功率?
P出=I2(R+R滑)=23?W?⑤
故电源的输出功率是23W.
本题解析:
本题难度:一般
4、简答题 如图,两条水平虚线之间有垂直于纸面向里,宽度为d=50cm,磁感应强度为B=1.0T的匀强磁场.边长为l=10cm的正方形线圈,质量为m=100g,电阻为R=0.020Ω.线圈下边缘到磁场上边界的距离为h=80cm.将线圈由静止释放,已知其下边缘刚进入磁场和刚穿出磁场时刻的速度相同.取g=10m/s2.求:
(1)线圈进入磁场的过程中产生的电热Q.
(2)线圈下边缘穿越磁场的过程中,线圈的最小速度v.
参考答案:(1)在线圈下边缘刚进入磁场到刚穿出磁场过程中用能量守恒定律,动能不变,重力势能的减小全部转化为电能,又转化为电热,
因此:Q=mgd=0.50J
(2)设线圈自由下落阶段的末速度v,即线圈下边缘到达磁场上边界时的瞬时速度大小是v0,
则v02=2gh,v0=4.0m/s?
线圈上边缘到达磁场上边界时线圈速度一定最小,在线圈进入磁场过程中用动能定理:
mgL-W=12mv2-12mv02
而克服安培力做的功W就等于增加的电能也等于产生的电热Q
因此解得:v=2
本题解析:
本题难度:一般
5、计算题 如图所示,BC是半径为R的1/4圆弧形光滑且绝缘的轨道,位于竖直平面内,其下端与水平绝缘轨道平滑连接,整个轨道处在水平向左的匀强电场中,电场强度为E,今有一质量为m、带正电q的小滑块,(体积很小可视为质点),从C点由静止释放,滑到水平轨道上的A点时速度减为零。若已知滑块与水平轨道间的动摩擦因数为μ,求:
(1)滑块通过A点时的速度大小;
(2)水平轨道上A、B两点之间的距离。 
参考答案:解:(1)小滑块从C到B的过程中,只有重力和电场力做功。设滑块通过B点时的速度为
,根据动能定理有:
解得:
(2)设A、B两点间的距离为L,则滑块由C滑到A的过程中,由动能定理有: 
解得:
本题解析:
本题难度:一般