时间:2019-06-29 06:03:36
1、简答题 如图所示,水平平行金属导轨上置一金属杆ab,导轨一个端接一R=1.5
的电阻,金属杆电阻R"=0.5
,导轨电阻不计.整个装置放在竖直方向的匀强磁场中,金属杆与导轨间动摩擦因数
=0.3,今给ab杆一个冲量,当该冲量作用完毕时,使其获得方向垂直于杆的水平动量p=0.01kg·m/s,此时杆的加速度a=5m/
.求此时ab杆两端的电势差.(g=10m/
)
2、选择题 关于日光灯,下列说法不正确的是
A日光灯工作原理与白炽灯不同,日光灯主要靠荧光粉在紫外线的照射下发光
B日光灯正常发光时,启动器处于导通状态
C日光灯正常工作时,取下日光灯启动器,日光灯正常工作
D日光灯的镇流器在工作时主要作用是限制灯管中的电流
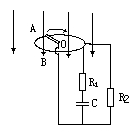
3、计算题 如图所示,在磁感强度B= 2T的匀强磁场中,有一个半径r=0.5m的金属圆环。圆环所在的平面与磁感线垂直。OA是一个金属棒,它沿着顺时针方向以20rad/s的角速度绕圆心O匀速转动。A端始终与圆环相接触OA棒的电阻R=0.1Ω,图中定值电阻R1=100Ω,R2=4.9Ω,电容器的电容C=100pF。圆环和连接导线的电阻忽略不计,求:
(1)电容器的带电量。哪个极板带正电。
(2)电路中消耗的电功率是多少?
4、计算题 (16分)如图10所示,AB、CD是处在方向垂直纸面向里、磁感应强度为B1的匀强磁场的两条金属导轨(足够长),导轨宽度为d,导轨通过导线分别与平行金属板MN相连,有一与导轨垂直且始终接触良好的金属棒ab以某一速度沿着导轨做匀速直线运动。在y轴的右方有一磁感应强度为B2且方向垂直纸面向外的匀强磁场。现有一质量为m、电荷量为q的带正电粒子在M板由静止经过平行金属板MN,然后以垂直于y轴的方向从F处穿过y轴进入磁场,运动一段时间后打到x轴上的G处,并与x轴正向的夹角为60°;已知OG长为
,不计粒子的重力。求:
(1)试判断ab棒的运动方向
(2)金属棒ab做匀速直线运动速度的大小
?
5、选择题 有一种高速磁悬浮列车的设计方案是在每节车厢底部安装磁铁(磁场方向向下),并在两条铁轨之间沿途放一系列闭合线圈.下列说法中不正确的是( )
A.当列车运动时,通过线圈的磁通量会发生变化
B.列车速度越快,通过线圈的磁通量变化越快
C.列车运动时,线圈中会产生感应电流
D.线圈中的感应电流的大小与列车速度无关