时间:2019-06-29 06:00:32
1、选择题 在远距离输电中,输电线电阻一定,输送电功率一定,如果将输电电压提高到原来的10倍,则输电线上消耗的功率减小到原来的( )
A.10倍
B.1/10
C.100倍
D.1/100
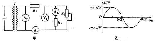
2、选择题 如图甲所示,T为理想变压器,原、副线圈匝数比为10:1,副线圈所接电路中.电压表V1、V2和电流表A1、A2都为理想电表,电阻R1 =4
,R2=6
,R3的最大阻值为12
,原线圈两端加上如图乙所示规律变化的电压.在R3的滑片自最下端滑动到最上端的过程中,以下说法正确的是(? )
A.电压表V1的示数增大 B电压表V2的示数为20
?V
C电流表A1、A2的示数都增大? D电流表A1示数增大、A2的示数减小
3、填空题 如图所示,两块水平放置的金属板距离为d,用导线、电键K与一个n匝的线圈连接,线圈置于方向竖直向上的变化磁场B中.两板间放一台小型压力传感器,压力传感器上表面静止放置一个质量为m、电荷量为+q的小球.K断开时传感器上有示数,K闭合时传感器上恰好无示数.可知,线圈中磁场B的变化情况是正在______(填写“增强”或“减弱”);磁通量的变化率
| Vθ Vt |

4、选择题 远距离输送一定功率的交变电流,若使输电电压提高k倍,则( )
A.输电导线的电功率损失不变
B.输电导线的电压损失不变
C.输电导线的电压损失是原来的1/k2
D.输电导线的电功率损失是原来的1/k2
5、选择题 图乙为一台小型发电机构造示意图,线圈逆时针转动,产生的电动势随时间变化的正弦规律图象如图甲所示。发电机线圈内阻为1.0 Ω,外接灯泡的电阻为9.0 Ω,则
[? ]
A.电压表的示数为6V
B.在t=1×10-2 s的时刻,穿过线圈磁通量为零
C.若线圈转速改为25 r/s,则电动势有效值为3V
D.若线圈转速改为25 r/s,则通过电灯的电流为1.2 A