时间:2019-06-29 04:51:54
1、选择题 物理学是一门以实验为基础的科学,任何理论和学说的建立都离不开实验.下面有关物理实验与物理理论或学说关系的说法中不正确的( )
A.α粒子散射实验表明了原子具有核式结构
B.光电效应实验证实了光具有粒子性
C.电子的发现表明了原子不是构成物质的最小微粒
D.天然放射现象的发现证实了玻尔原子理论
参考答案:D
本题解析:
本题难度:一般
2、选择题 频率不同的两束单色光A、B经相同的衍射装置所得到的图样如右图所示,则
A.若A光照在某金属上恰好能发生光电效应,则B光照在该金属上也能发生光电效应
B.在相同的介质中,A光传播的速度比B光
C.在相同的情况下,若B光发生了全反射,A光一定也会发生全反射
D.若B光是氢原子的核外电子从第四轨道向第二轨道跃迁时产生的,则A光可能是氢原子的核外电子从第五轨道向第二轨道跃迁时产生的
参考答案:AD
本题解析:由衍射图样特点,衍射条纹间距越大说明波长越大,所以A光波长较长,频率较小,当入射光的频率大于金属的极限频率时才能发生光电效应,A光照在某金属上恰好能发生光电效应,则B光照在该金属上也能发生光电效应,在相同的介质中,A光的折射率较大,A光的全反射临界角较小,由
,所以A光速度较小,由跃迁
,跃迁能量越大,频率越高,所以A光为高能级跃迁发生的
本题难度:简单
3、选择题 在下列关于光电效应的说法中正确的是( )
A.若某材料的脱出功是W,则极限频率v0=
| W h |
参考答案:A、若某材料的脱出功是W,则极限频率v0=Wh.故A正确.
B、根据光电效应方程得,12mvm2=hv-W0,速度与光的频率不成正比.
C、根据光电效应方程得,12mvm2=hcλ-W0,知光电子的动能与光的波长不成正比,光电子的速度与光的波长的平方根也不成反比.故C、D错误.
故选A.
本题解析:
本题难度:一般
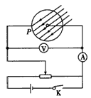
4、选择题 如图,当开关K断开时,用光子能量为2.5 eV的一束光照射阴极P,发现电流表读数不为零。合上开关,调节滑动变阻器,发现当电压表读数小于0.60 V时,电流表读数仍不为零;当电压表读数大于或等于0.60 V时,电流为零。由此可知阴极材料的逸出功为 
[? ]
A.1.9 eV
B.0.6 eV
C.2.5eV
D.3.1eV
参考答案:A
本题解析:
本题难度:一般
5、选择题 某种金属的逸出功是4.2eV,对于该金属下列说法正确的是( )
A.若照射光子的能量为4.0eV,经过足够长的时间该金属也能产生光电效应
B.若照射光子的能量为4.5eV,产生的光电子的最大初动能是0.3eV
C.该金属的遏止电压小于4.2V
D.只有当入射光的波长大于某一波长时才能使该金属产生光电效应
参考答案:A、光子能量小于逸出功,不能发生光电效应,与照射时间无关.故A错误.
B、根据光电效应方程知,最大初动能Ekm=hv-W0=4.5-4.2eV=0.3eV.故B正确.
C、根据eUc=12mvm2,得遏止电压Uc=12mvm2e,与最大初动能有关.故C错误.
D、当入射光的频率大于金属的极限频率,或入射光的波长小于金属的极限波长,会发生光电效应.故D错误.
故选B.
本题解析:
本题难度:一般