时间:2019-06-29 04:51:34
1、选择题 关于交流电的有效值U和最大值Um,下列说法中正确的是( )。?
A.任何形式的交流电都具有U=Um/
的关系
B.正弦式交流电具有U=Um/
的关系
C.照明电压220 V,动力电压380 V指的都是最大值
D.交流电压表和交流电流表测的都是最大值
参考答案:B
本题解析:只有正弦交流电具有
,对于其他交流电的有效值根据通过相等的电阻在相等的时间内产生的热量相等原理计算,A错误,B正确。交流电表里的示数为有效值,照明电压220V,动力电源300V都是指的是有效值,C错误,D错误。
本题难度:简单
2、计算题 (2011年厦门一中月考)如图10-1-14所示,匀强磁场的磁感应强度B=0.5 T,边长为L=10 cm的正方形线圈abcd共100匝,线圈电阻r=1 Ω,线圈绕垂直于磁感线的对称轴OO′匀速转动,角速度为ω=2π rad/s,外电路电阻R=4 Ω,求:
图10-1-14
(1)转动过程中感应电动势的最大值;
(2)由图示位置(线圈平面与磁感线平行)转过60°角时的瞬时感应电动势;
(3)由图示位置转过60°角的过程中产生的平均感应电动势;
(4)交流电压表的示数;
(5)转动一周外力做的功;
(6)
周期内通过R的电荷量为多少?
参考答案:(1)3.14 V (2)1.57 V (3)2.6 V (4)1.78 V? (5)0.99 J (6)0.0866 C
本题解析:(1)感应电动势的最大值:Em=nBSω=3.14 V.
(2)转过60 °角时的瞬时感应电动势:
e=Emcos60°=3.14×0.5 V=1.57 V.
(3)转过60°角的过程中产生的平均感应电动势:
=
=2.6 V.
(4)电压表示数为外电压的有效值:
U=
Em·
=1.78 V.
(5)转动一周外力做的功等于电流产生的热量:
W=Q=(
)2·
=0.99 J.
(6)
周期内通过R的电荷量:
q=
·
=
·
=
·
=
=0.0866 C.
答案:(1)3.14 V (2)1.57 V (3)2.6 V (4)1.78 V
(5)0.99 J (6)0.0866 C
本题难度:一般
3、计算题 如图线圈的面积是0.05 m2,共100匝,线圈电阻为r =" 1" Ω,外接电阻R =" 9" Ω,匀强磁场的磁感应强度B =
T,当线圈以300 r/min的转速匀速旋转时,求:(此题最后结果可保留根号)
(1)若线圈从图示位置开始计时,写出线圈中感应电动势瞬时值表达式.
(2)电路中电压表和电流表的示数各是多少?
(3)由图示位置转过90°角的过程中,电阻R上产生的热量为多少?
(4)由图示位置转过180°角的过程中,流经电阻R上的电量为多少?
参考答案:(1)
(2)
?A,
V(3)
(4)
本题解析:1)
?rad/s?
V
感应电动势瞬时表达式:
?V
2)
?V?
?A?
?V
3)
?J?4)
?C
点评:本题涉及交流电压与交流电流的瞬时值、最大值、有效值和平均值;对于电表读数、求产生的热量均由交变电的有效值来确定,而涉及到耐压值时,则由最大值来确定.而通过某一电量时,则用平均值来求.
本题难度:一般
4、选择题 如图所示,矩形线圈面积为S,匝数为N,线圈电阻为r,在磁感强度为B的匀强磁场中绕OO'轴以角速度ω匀速转动,外电路电阻为R.在线圈由图示位置转过90°的过程中,下列说法正确的是(?)
A.磁通量的变化量
B.通过电阻R的电量
C.电阻R产生的焦耳热Q= (NBSω)2/2R
D.电阻R产生的焦耳热Q= (NBS)2ωRπ/4(R+r)2
参考答案:D
本题解析:在线圈由图示位置转过90°的过程中,磁通量的变化量
,A错误;通过电阻R的电量
,B错误;电阻R产生的焦耳热
,C错误、D正确。
本题难度:简单
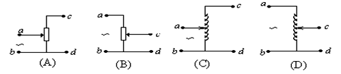
5、选择题 图中,a、b为输入端,接交流电源,c、d为输出端,则输出电压大于输入电压的电路是 
参考答案:C
本题解析:A、B图中电阻分压,D是降压,正确C选项
本题难度:简单