时间:2019-06-28 06:10:35
1、选择题 一矩形线圈在匀强磁场中绕垂直于磁场的轴匀速转动,周期为T,从中性面开始计时,当
时感应电动势为2V,则此交流电动势的有效值为(?)
A.
B.2V
C.
D.
2、选择题 如图所示,图甲和图
乙分别表示正弦脉冲波和方波的交变电流与时间的变化关系.若使这两种电流分别通过两个完全相同的电阻,则经过1 min的时间,两电阻消耗的电功之比W甲∶W乙
[? ]
A.1∶
?
B.1∶2
C.1∶3?
D.1∶6
3、填空题 如图所示交变电流正值为正弦波的一部分,该交变电流的周期为
S,电流有效值为 A。
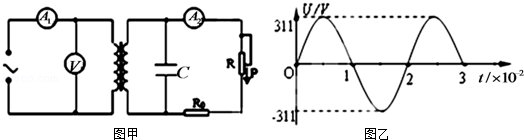
4、选择题 (2015?贵州一模)如图甲所示电路,理想变压器原线圈输入电压如图乙所示,副线圈电路中R0为定值电阻,R是滑动变阻器,C为耐压值为22v的电容器,所有电表均为理想电表.下列说法正确的是( )
A.副线圈两端电压的变化频率为0.5Hz
B.电流表的示数表示的是电流的瞬时值
C.滑动片P向下移时,电流表A1和A2示数均增大
D.为保证电容器C不被击穿,原副线圈匝数比应小于10:1
5、选择题 某交流发电机产生的感应电动势与时间的关系是e=100sin50πtV如果其他条件不变,仅使线圈的转速加倍,则交流电动势的最大值和周期分别变为? (? )
A.400V, 0.02s
B.200V,0.02s
C.400V,0.08s
D.200V,0.08s