时间:2019-06-28 05:52:14
1、实验题 指针式多用表是实验室中常用的测量仪器,请完成下列问题:
(1)在使用多用电表测量时,指针的位置如图(a)所示,若选择开关拨至“×1”挡,则测量的结果为_________;若选择开关拨至“50mA”挡,则测量结果为__________。



[? ]
2、选择题 如图所示为万用表欧姆挡的原理示意图,其中电流表的满偏电流为300μA,内阻Rg=100Ω,R为调零电阻,串联的固定电阻R0=500Ω,电池的电动势为1.5V用它测量电阻R,能准确测量的阻值范围是 
[? ]
A.30~80Ω?
B.300~800Ω
C.3~8kΩ?
D.30~80Ω
3、填空题 在测定电源电动势和内阻的实验中,某同学根据正确的实验测量作出如图的U-I图象,由该图象可求出被测干电池的电动势E=______V,内电阻r=______Ω.
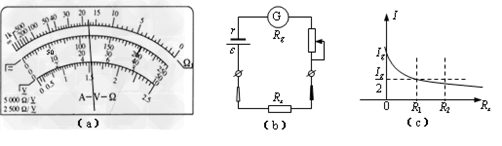
4、实验题 多用表是实验室中常用的测量仪器,请完成下列问题:
(1)使用多用电表测量时,指针位置如图(a)所示,若用来测电阻,选择开关拨至“×1”档,则测量的结果为_________Ω,选择开关拨至“×100” 档,则测量的结果为_________Ω;用来测电流,选择开关拨至“50mA” 档,则测量结果为__________mA。
(2)多用电表测未知电阻阻值的电路如图(b)所示,电池的电动势为ε,电路中电流I与待测电阻的阻值Rx关系图像如图(c)所示,则该图像的函数关系式为___________;
(3)下列说法正确的是__________。
A.在使用欧姆表换挡时,可以不必让红黑表笔短接调零
B.因为相同的电阻变化量对应的电流变化量不同,所以欧姆表的刻度不均匀
C.测量中,当Rx的阻值为图(c)中的R2时,指针位于表盘中央位置的右侧
D.测量中,当Rx的阻值为图(c)中的R2时,指针位于表盘中央位置的左侧
5、选择题 下列说法中正确的是( )
A.电源的电动势反映电源把其他形式的能转化为电能本领的大小
B.电动势等于闭合电路中接在电源两极间的电压表测得的电压
C.电流元IL在磁场中受力为F,则磁感应强度B可能小于或等于style="shiti/data:image/png;base64,iVBORw0KGgoAAAANSUhEUgAAABQAAAAlCAIAAADNzV5SAAAAcElEQVRIid2UsRLAIAhD+f+frluHmhCiZ6vN5JB3QQ6Ia0LxMziQjOSH24Bva/8YgYEngdlXBVyJXQznAqYiCWDZJJFc19kw3CGmfcreAAZd4TNXmm02rdpnHIOPYIt8Ec7utoylcL80+T6Bsl0dCjfXfL2l7ZoN3wAAAABJRU5ErkJggg==" alt="">
D.磁感应强度越大的地方,线圈面积越大,则穿过线圈的磁通量越大