时间:2019-06-28 05:35:48
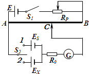
1、简答题 如图所示为一种测量电源电动势的电路原理图.E为供电电源,ES为标准电源,EX为待测电源,RP是限流电阻,R0是电流表的保护电阻,AB是均匀电阻丝,长度为L.闭合S1进行测量时,先将S2合到“1”位置,移动C至C1处时,恰好使电流表指针指零,测得AC1=
| 1 3 |
| 2 3 |

参考答案:(1)该电路是一个并联分压电路,当ES电压等于AC电压时,使电流表指针指零.
所以本实验对供电电源的要求是E>ES和EX
(2)为了能准确找出AC电压等于ES和EX的电压关系,即电流表指针指零,要抵消到电流为零,就最好是灵敏度最高的灵敏电流计,减小误差.
(3)先将S2合到“1”位置,移动C至C1处时,恰好使电流表指针指零,测得AC1=13L;
即ES=ERAB?+RP+r×RAC1
将S2合到“2”位置,移动C至C2处时,恰好又使电流表指针指零,测得AC2=23L.
EX=ERAB?+RP+r×RAC2
RAC2=2RAC1
所以EX=2ES.
故答案为:①>;②灵敏电流计;③2
本题解析:
本题难度:一般
2、简答题 一些材料的电阻随温度的升高而变化.
(1)如图1(甲)是由某金属材料制成的电阻R随摄氏温度t变化的图象,若用该电阻与电池(电动势E=1.5V,内阻不计)、电流表(量程为5mA、内阻不计)、电阻箱R′串联起来,连接成如图1(乙)所示的电路,用该电阻做测温探头,把电流表的电流刻度改为相应的温度刻度,就得到了一个简单的“金属电阻温度计”.
①电流刻度较大处对应的温度刻度______;(填“较大”或“较小”)
②若电阻箱阻值R′=150Ω,在丙图中标出空格处对应的温度数值为______℃.
(2)PTC元件由于材料的原因有特殊的导电特性.现有一由PTC元件做成的加热器,实验测出各温度下它的阻值,并作出了1/R-t的关系如图2.已知它向四周散热的功率为PQ=0.1(t-t0)瓦,其中t(单位为℃)为加热器的温度,t0为室温(本题取20℃).当加热器产生的焦耳热功率PR和向四周散热的功率PQ相等时加热器温度保持稳定.加热器接在200V的电源上.
①加热器工作的稳定温度为______℃;
②加热器的恒温原理为:当温度稍高于稳定温度时加热器电阻______(填“增大”“不变”“减小”),产生的焦耳热的功率______散热的功率(填“大于”“等于”,“小于”),温度将下降;反之当温度稍低于稳定温度时也控制温度上升,从而保持温度稳定.
参考答案:
(1)①根据闭合电路欧姆定律得
? 电路中电流I=ER+R′,可见,电阻R越小,电流I越大,对应的温度越低,所以电流刻度较大处对应的温度刻度较小.
? ②当电流为5mA时,由闭合电路欧姆定律I=ER+R′,得
? R=EI-R′=1.55×10-3-150)=150Ω,
由R-t图象,根据数学得到R=t+100(Ω),当R=150Ω,t=50°C.
(2)①PQ=0.1(t-t0),PQ与温度t之间关系的图象如图
由图可知,当温度为70℃时,发热功率和散热功率相等,即此时物体的温度不再变化;
②当温度稍高于稳定温度时:加热器电阻增大,产生的焦耳热的功率小于散热的功率,温度将下降
故答案为:
(1)①较小?②50℃
(2)①70℃;②增大?小于
本题解析:
本题难度:一般
3、实验题 某同学利用多用电表测量二极管的反向电阻.完成下列测量步骤:
(1)检查多用电表的机械零点.
(2)将红、黑表笔分别插入正、
负表笔插孔,将选择开关拨至
电阻测量挡适当的量程处.
(3)将红、黑表笔________,进行欧姆调零.
(4)测反向电阻时,将________表笔接二极管正极,将________表笔接二极管负极,读出电表示数.
(5)为了得到准确的测量结果,应让电表指针尽量指向表盘________ (填“左侧”、“右侧”或“中央”);否则,在可能的条件下,应重新选择量程,并重复步骤(3)、(4).
(6)测量完成后,将选择开关拨向____________位置.
参考答案:(3)短接
(4)红;黑
(5)中央
(6
)OFF
本题解析:
本题难度:一般
4、简答题 如图所示,竖直放置的两块很大的平行带电金属板a、b相距为d,a、b间的电场强度为E,今有一带正电的液滴从a板下边缘(贴近a板)以初速度v0竖直向上射入电场,当它飞到b板时,速度大小仍为v0,而方向变为水平,且刚好从高度也为d的狭缝穿过b板上的小孔进入匀强磁场,若磁场的磁感应强度大小为B=E/v0,方向垂直纸面向里,磁场区域的宽度为L,重力加速度为g.
(1)试通过计算说明液滴进入磁场后做什么运动?
(2)求液滴在电场和磁场中运动的总时间.
参考答案:(1)液滴在金属板间运动时,由动能定理qEd-mgd=0…①
进入磁场后所受洛仑兹力大小为f=qv0B,方向竖直向上…②
由题意B=Ev0
由以上各式解得f=mg…③
所以液滴进入磁场后做匀速直线运动…④
(2)在金属板间v0=gt1…⑤
在磁场中运动L=v0t2…⑥
总时间为t=t1+t2…⑦
由⑤⑥⑦式解得t=v0g+Lv0…⑧
(或t=2dv0+Lv0;t=
本题解析:
本题难度:一般
5、简答题 (1)图(甲)是一个多量程多用电表的简化电路图,测量电流、电压和电阻各有两个量程,当转换开关S旋到位置3时,可用来测量______(选填“电阻”、“电压”或“电流”);当S旋到位置______时,可用来测量电流,其中S旋到位置______时量程较大
(2)用多用电表测量小电珠(4.8V1.4W)的电阻,应选择多用电表电阻挡的倍率______(选填“×1”、“×10”或“×100”);调零后,将表笔分别与小电珠的两端连接,示数如图(乙),则测量结果为______Ω.
参考答案:(1)当转换开关S旋到位置3时,内部电源被接通,构成欧姆表,可测量电阻.
当S旋到位置 1、2时,电流表与电阻并联,并联电阻起分流作用,可用来测量电流.
S旋到位置1时,并联电阻阻值较小,则分流较大,故S旋到位置1时,电流表量程较大.
(2)小电珠(4.8V,1.4W),所以小电珠电阻大约是11Ω,
粗测小电珠的电阻,应选择多用电表×1倍率的电阻档,结果为12Ω
故答案为:(1)电阻;1或2;1.(2)×1;12.
本题解析:
本题难度:一般