时间:2019-06-26 05:01:53
1、填空题 电动势是描述电源这种本领的物理量,它的单位是______,常用干电池两极间的电压大约是的______伏.铅蓄电池两极间的电压大约是的______伏.
2、实验题 在“验证机械能守恒定律”的实验中,质量为1kg的重锤自由下落,通过打点计时器在纸带上记录运动过程,打点计时器所接电源频率为50Hz。如图所示,纸带上O点为重锤自由下落时纸带打点起点,选取的计数点A、B、C、D依次间隔一个点(图中未画出),各计数点与O点距离如图所示,单位为mm,重力加速度为9.80 m/s2 ,则
(1)打点计时器记录B点时,重锤速度vB=______
_ m/s,重锤动能EKB=__________J.
(2)从开始下落算起,打点计时器记录B点时,重锤势能减少量为?J.
3、填空题 如图所示的装置,U1是加速电压,紧靠其右侧的是两块彼此平行的水平金属板,两板间距离为d。一个质量为m、带电荷量为-q的质点,经加速电压加速后沿两金属板中心线以速度v0=_____________水平射入两板中,若在两水平金属板间加一电压U2,当上板为正时,带电质点恰能沿两板中心线射出;当下板为正时,带电质点则射到下板上距板的左端l/4处,则板长l=_____________。? 
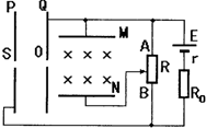
4、选择题 如图所示,相距为d的水平金属板M、N在左侧有一对竖直金属板P、Q,板P上的小孔S正对极Q上的小孔O,M、N间有垂直纸面向里的匀强磁场,在小孔S处有一带负电粒子,其重力和初速均不计,当变阻器的滑动触头在AB的中点时,带负电粒子恰能在M、N间做直线运动,当滑动变阻器滑片滑到A点后,( )
A.粒子在M、N间运动过程中,动能一定不变
B.粒子在M、N间运动过程中,动能一定增大
C.粒子在M、N间运动过程中,动能一定减小
D.粒子可能从M板的右边缘飞出
5、选择题 如图是某种静电矿料分选器的原理示意图,带电矿粉经漏斗落入水平匀强电场后,分落在收集板中央的两侧.对矿粉分离的过程,下列表述正确的有( )
A.带正电的矿粉落在右侧
B.电场力对矿粉做正功
C.带负电的矿粉电势能变大
D.带正电的矿粉电势能变小