时间:2019-06-26 04:38:27
1、填空题 如图所示,质量不计的直角形支架两端分别连接质量为m和2m的小球A和B,支架的两直角边长度均为L,可绕固定轴O在竖直平面内无摩擦转动,空气阻力不计。设A球带正电,电荷量为q,B球不带电,处在竖直向下的匀强电场中。开始时OA边处于水平位置,由静止释放,当杆O转过37°时,小球A的速度最大,则匀强电场的场强E的大小为___________;若在转动过程中杆OA所能转过的最大角度为θm,则cosθm=___________。(已知sin37°=0.6,cos37°=0.8) 
2、简答题 在用电流表和电压表测定电池的电动势和内阻的实验中:现备有以下器材:
干电池1个,滑动变阻器,电压表,电流表,电键,导线若干.
(1)请将该实验所采用的电路图画在虚框中
(2)下图是根据实验数据画出的U-I图象.由此可知这个干电池的短路电流为______A.
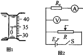
3、简答题 要测一段阻值大约为5Ω的均匀金属丝的电阻率.除米尺、螺旋测微器、电源E(电动势3V,内阻约0.5Ω)、最大阻值为20Ω的滑动变阻器R、开关一只、导线若干外,电流表和电压表各两只供选择:Al(量程lA,内阻约1Ω),A2(量程0.6A,内阻约2Ω),Vl(量程3.0V,内阻约1000Ω),V2(量程15V,内阻约3000Ω).
(1)用螺旋测微器测金属丝的直径d,如图1所示,则d=______mm.
(2)为了使测量有尽可能高的精度,电流表应选______,电压表应选______.
(3)实验电路已经画出了一部分,如图2所示,但尚未完整,请将该电路完整地连接好.(Rx表示待测金属丝)
(4)若用米尺测得金属丝的长度为L,用螺旋测微器测得金属丝直径为d,电流表的读数为I,电压表读数为U,则该金属丝的电阻率:ρ=______.
4、简答题 用DIS测量干电池的电动势和内电阻的实验电路如图甲所示,已知干电池允许的最大供电电流为0.5A.
(1)实验时应选用下列哪种滑动变阻器
A.1000Ω,0.1A?B.50Ω,2.0A?C.10Ω,2.0A?D.50Ω,0.1A
(2)根据实验得到的图象如图乙所示,可求得干电池的内电阻为r=______Ω.
5、填空题 一个可供使用的万用表,S为选择开关、Q为欧姆档调零旋钮.现在要用它测量两个电阻的阻值,R1大约几十欧姆、R2大约几百欧姆.下面提出了在测量过程中一系列可能的操作.请选出尽可能准确地确定各阻值同时又符合万用表安全使用规则的各项操作,并且将它们按合理顺序填写在后面的横线空白处
(A)?将两表笔短接,调节Q使表针对准欧姆档刻度盘上的零欧姆处、随后即断开;
(B)?旋动S使其尖端对准欧姆档×100;
(C)?旋动S使其尖端对准欧姆档×10;
(D)?旋动S使其尖端对准欧姆档×1;
(E)?旋动S使其尖端对准交流电压的最高档;
(F)将两表笔分别接到R1的两端、读出R1的阻值、随后即分开;
(G)?将两表笔断开,使指针指电流为零的位置;
(H)?旋动S使其尖端对准欧姆档×1K;
(I)?将两表笔分别接到R2的两端、读出R2的阻值、随后即断开;
正确地操作顺序为______.