时间:2019-06-26 04:37:46
1、简答题 如图1所示,在实验室里小王同学用电流传感器和电压传感器等实验器材测干电池的电动势和内电阻.改变电路的外电阻R,通过电压传感器和电流传感器测量不同阻值下电源的端电压和电流,输入计算机,自动生成U-I图线,如图(1)所示.
(1)由图2可得干电池的电动势为______V,干电池的内电阻为______Ω;
(2)做完实验后,小王同学在上面的实验器材中去掉电压传感器,改变电路的外电阻R,
通过电流传感器测量不同阻值下的电流,画出R-1/I图线也可以求得电源的电动势和内电阻.请写出小王同学所作图象的函数关系式______.
(3)现有一小灯泡,其U-I特性曲线如图2所示,若将此小灯泡接在上述干电池两端,小灯泡的实际功率是______W.
2、实验题 有一电流表A,量程为1 mA,内阻r1约为100 Ω。要求测量其内阻。可选用器材有:电阻器R0,最大阻值为99999.9 Ω;滑动变阻器甲,最大阻值为10 kΩ;滑动变阻器乙,最大阻值为2 kΩ;电源E1,电动势约为2 V,内阻不计;电源E2,电动势约为6 V,内阻不计;开关2个,导线若干。采用的测量电路图如图所示,实验步骤如下:
①断开S1和S2,将R调到最大;
②合上S1调节R使A满偏;
③合上S2,调节R1使A半偏,此时可以认为A的内阻rg=R1,试问:
(1)在上述可供选择的器材中,可变电阻R1应该选择____________;为了使测量尽量精确,可变电阻R应该选择____________;电源E应该选择____________。
(2)认为内阻rg=R1,此结果与rg的真实值相比____________。(填“偏大”、“偏小”或“相等”)
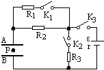
3、填空题 如图所示,A、B为接在电路中的两块平行金属板,电键K1、K2、K3均闭合,在两板间悬浮着一带电油滴P.
(1)若断开K1,则P将______;
(2)若断开K2,则P将______;
(3)若断开K3,则P将______.
4、简答题 利用如图1所示电路可测量电池组的电动势E和内电阻r.根据实验数据绘出如图2所示的R-1/I图线,其中R为电阻箱读数,I为电流表读数,由此可得到E=______V,r=______Ω.
5、填空题 如图所示,用伏安法测电源电动势和内阻的实验中,在电路中接一阻值为2Ω的电阻R0,通过改变滑动变阻器,得到几组电表的实验数据:
| U(V) | 1.2 | 1.0 | 0.8 | 0.6 I(A) 0.10 0.17 0.23 0.30 |
