时间:2019-06-23 22:35:23
1、简答题 一质量m=2.0kg的小物块以一定的初速度冲上一倾角为37°足够长的斜面,某同学利用传感器测出了小物块冲上斜面过程中多个时刻的瞬时速度,并用计算机做出了小物块上滑过程的V-t时间图线,如图所示.(取sin37°=0.6?cos37°=0.8?g=10m/s2)求:
(1)小物块冲上斜面过程中加速度的大小;
(2)小物块与斜面间的动摩擦因数;
(3)小物块返回斜面底端时的速度大小(结果保留一位小数).
2、计算题 一物体从距离地面高为h的位置开始做自由落体运动,g=10m/s2,物体在落地前的1秒时间内下落35m;求:
(1)物体从开始到落至地面所用的时间t;
(2)物体距离地面的高度h。
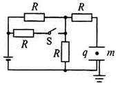
3、计算题 (12分)用四个阻值均为R的电阻连成如图所示的电路,电键S闭合时,有一质量为m带电荷量为q的小球静止于水平放置的平行板电容器的中点,平行板电容器的下极板接地。现打开电键S,这个带电小球便向平行板电容器的一个极板运动,并和此板板碰撞,设两极板间距离为d,电源内阻也为R,重力加速度为g.求:
(1)电源电动势E为多大?
(2)从打开电键S到小球碰撞到极板所需时间?
4、实验题 某学生用打点计时器研究小车的匀变速直线运动.他将打点计时器接到频率为50 Hz的交流电源上,实验时得到一条纸带如图所示.他在纸带上便于测量的地方选取第一个计数点,在这点下标明A,第六个点下标明B,第十一个点下标明C,第十六个点下标明D,第二十一个点下标明E.测量时发现B点已模糊不清,于是他测得AC长为14.56 cm,CD长为11.15 cm,DE长为13.73 cm,则
(1)打C点时小车的瞬时速度大小为________ m/s,
(2)小车运动的加速度大小为________ m/s2,
(3)AB的距离应为________ cm. (结果保留三位有效数字)
5、选择题 质点在恒力作用下,由静止开始做直线运动,关于质点动能大小的以下说法:
①动能与它通过的位移成正比;
②动能与它通过的位移的平方成正比;
③动能与它运动的时间成正比;
④动能与它运动的时间的平方成正比.
其中正确的是( )
A.只有①③正确
B.只有②③正确
C.只有①④正确
D.只有②④正确