1.05
参考答案:(1) (2) ?1.45 0.69
本题解析: (1)按照实验原理图将实物图连接起来,如图甲所示. (2)根据U、I数据,在方格纸U?I坐标系上找点描迹.如图乙所示,然后将直线延长,交U轴于U1≈1.45 V,此即为电源电动势;交I轴于I≈0.65 A,注意此时U2=1.00 V,由闭合电路欧姆定律得I= ,则r= = Ω≈0.69 Ω.
  甲 点评:解决本题的关键掌握伏安法测量电源电动势和内阻的原理,即E=U+Ir,会根据U-I图线求电源的电动势内阻.
本题难度:一般
2、实验题 如图所示,用电压表和电流表测量未知电阻有两种电路。
 (1)如果采用甲电路,电阻R的测量值比真实值__________, 如果选用乙电路进行测量,则电阻R的测量值比真实值__________。(以上填“相同”、“偏大”或“偏小”) (2)如果待测电阻较小(比电压表小得多,与电流表内阻差不多),为了使测量结果比较准确,应该选用图_____所示的电路。如果待测电阻较大(与电压表内阻差不多,比电流表内阻大很多),为了使测量结果比较准确,应该选用图_____所示的电路。
参考答案:(1)偏小?偏大?(2)甲?乙
本题解析:(1)电压表内阻不是无穷大、电流表内阻不为零,把电压表和电流表作为一个电阻考虑,考虑电压表分担电流,考虑电流表分担电压.对图甲,电压表测量电阻的实际电压,电流表测量电压表和电阻的总电流,大于电阻的电流,根据 知,会使电阻的测量值偏小.对图乙,电流表测量电阻的实际电流,电压表测量电流表和电阻的总电压,大于电阻两端的电压,根据 知,会使电阻的测量值偏大. (2)甲图为安培表外接法,误差主要来源于电压表的分流作用,电流测量值偏大,如果待测电阻较小(比电压表小得多,与电流表内阻差不多),由并联电路分流原理知,电压表的分流非常小,测量结果比较准确;乙图为安培表内接法,误差来源于电流表的分压作用,导致电压测量值偏大,如果待测电阻较大(与电压表内阻差不多,比电流表内阻大很多),由串联电路分压原理知,电流表分担的电压远小于待测电阻两端的电压,测量结果比较准确.故第一空填甲,第二空填乙.
本题难度:一般
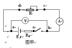
3、实验题 图甲为某同学测定电池的电动势和内电阻的实验电路图。图中R0为阻值2Ω的定值保护电阻。 ⑴ 该同学将电路连接好后闭合电键发现:电压表读数不为零,但电流表读数为零,检查确定各接线柱正确且接触良好。于是该同学用多用表的电压档检查电路,测得 ,而 读数与电压表读数相同。由此可以推知故障是?。 ⑵ 将图乙的实物连线电路补充完整(用黑色笔连线),并将用多用表的电压档检查电路中c、d两端的电压也用笔画线代导线将线路连接起来。 ⑶ 故障排除后,该同学完成了实验,测出相关数据如下表所示,并在图丙的U-I坐标中描出了对应的点。请画出U-I图线,并由图求出:电池的电动势为?V ,内阻为?Ω。
 


参考答案:(1)(2分)?滑动变阻器R断路??。(2)(2分) (如图所示) (3) (如图)?(1分) ?1.45~1.55 ?(1分) ?0.8~1.0?(2分)
 
本题解析:略
本题难度:一般
4、实验题 (1)在实验用伏安法测未知电阻Rx时,为了选择正确的电路接法以减小误差,可将电路按图示(实线部分)连接。空出电压表的一个接头P,然后将P分别与a、b接触一下,观察电压表和电流表示数情况。那么,正确的操作是?。 A.若电流表示数有显著变化,P应接a B.若电流表示数有显著变化,P应接b C.若电压表示数有显著变化,P应接a D.若电压表示数有显著变化,P应接b
 (2)如果现已知电流表A的内阻为Rg,电压表的内阻约为RV,在实际测量时,已经保证测量的电压和电流在量程范围内。为了使测得的Rx更准确,P应接在?。若电压表、电流表的示数分别为U0和I0,则Rx的阻值表达式为?。
参考答案:(1)BC? (2)b;
本题解析:
本题难度:一般
5、计算题 有一个电流表G,内阻 ,满偏电流 ,要把它改装为0—15V的电压表。(1)要串联多大的电阻?(2)改装后电压表的内阻多大?
参考答案:(1) (2) 1.5×104
本题解析: mg
本题难度:简单
|