时间:2019-06-23 21:44:21
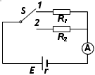
1、计算题 如图所示,是一种测量电源电动势和内阻的电路。已知:R1=0.5Ω,R2=1.5Ω,当电键扳到1位置时,电 压表读数为1V;当电键扳到2位置时,电压表读数为1.5V,求:电源电动势E和内阻r
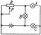
2、选择题 如图所示电路中,电源电动势为E、内阻为r,当变阻器R的滑片P位于中点位置时,A、B、C三个灯泡都正常发光且亮度相同,则( )
A.三个灯泡的额定电压相同,额定功率不相同
B.三个灯泡的额定电压不相同,额定功率相同
C.三个灯泡中,B灯的电阻最大,C灯电阻最小
D.当滑片P向左滑动(各灯仍能发光)时,A灯和C灯变亮,B灯变暗
3、简答题 如图所示,两光滑金属导轨MN和PQ平行放置在同一水平面内,两导轨间距离L=0.50m,在导轨两端分别接有阻值R=5.0Ω的电阻,金属杆ab接入电路的电阻r=2.5Ω.匀强磁场垂直穿过导轨所在平面,磁感应强度B=0.50T,金属杆垂直于导轨放置在导轨上,在外力作用下沿水平方向运动.导轨足够长,金属杆在运动过程中始终没有到达导轨的两端.取金属杆速度向右为正方向,金属杆速度v随时间t按照正弦规律变化,如图乙所示.忽略导轨电阻,金属杆与导轨接触良好.求:
(1)t=0.02s时,流过金属杆的瞬时电流大小i和电阻R两端的瞬时电压大小u;
(2)t=0.02s时,金属杆受到的安培力的大小F;
(3)在4.00s内,导轨两端电阻总共产生的焦耳热Q.
4、填空题 电源的电动势为4.5V,内电阻为0.50Ω,外电路接一个4.0Ω的电阻,这时流过电源的电流为 A, 路端的电压为 V.
5、计算题 如图所示,
,
。当开关S扳到位置1时,测得电流
;扳到位置2时,测得电流
。求电源的电动势和内阻。