时间:2019-06-23 21:36:50
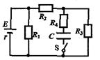
1、计算题 (10分)在如图所示的电路中,电源电动势E=6.0V,内阻r=2Ω,定值电阻R1= R2=10Ω,R3=30Ω,R4=35Ω,电容器的电容C=100μF,电容器原来不带电。求:
(1)闭合开关S后,电路稳定时,流过R3的电流大小I3;
(2)闭合开关S后,直至电路稳定过程中流过R4的总电荷量Q.
参考答案:(1)0.12A(2)3.6×10-4C
本题解析:(1)闭合开关S后电路稳定时,
外电阻R外=
=8Ω ① (1分)
总电流I=
=0.6A ② (2分)
路端电压U外=IR外=4.8V ③ (1分)
流过R3的电流为 I3=
="0.12A" ④ (2分)
(2)闭合开关S后,电路稳定时,
加在电阻R3的电压U3=I3R3=3.6V ⑤ (2分)
电容充电完毕所带的电荷量Q=CU3=3.6×10-4C ⑥ (1分)
闭合开关S直至电路稳定流过R4的总电荷量Q=3.6×10-4C ⑦(1分)
考点:
本题难度:一般
2、选择题 在如图所示的电路中,电源电动势为E、内电阻为r,将滑动变阻器的滑片P从图示位置向右滑动的过程中,关于各电表示数的变化,下列判断中正确的是
A.电压表V的示数变大
B.电流表A2的示数变小
C.电流表A1的示数变小
D.电流表A的示数变大
参考答案:AB
本题解析:将滑动变阻器的滑片P从图示位置向右滑动的过程中,滑动变阻器的阻值变大,外电路的总阻值变大,所以电路的总的电流变小,所以电流表A的示数变小,所以D错误;电源的内电压减小,由U=E-Ir可得,路端电压U变大,所以电压表V的示数变大,所以A正确;由于路端电压U变大,电阻R1不变,所以电流表A1的示数变大,所以C错误;由于总的电流减小,电阻R1的电流变大,所以滑动变阻器的电流减小,所以电流表A2的示数变小,所以B正确.
本题难度:一般
3、填空题 如图所示是根据某次实验记录的数据画出的U-I图线,则电源内阻是____________。
参考答案:1Ω
本题解析:
本题难度:一般
4、计算题 (12分)如图,R为电阻箱,A为理想电流表,电源电动势E=6V,内阻r=1Ω,当电阻箱的示数为R1=2Ω时,求:
(1)(4分)电流表读数I1=?
(2)(4分)外电路的电压U外=?电源的内电压U内=?
(3)(4分)电源提供的总电功率P总=?在电源内部消耗的热功率P内=?
参考答案:(1)2A? (2)4V? 2V?(3)12W? 4W
本题解析:(1)由闭合电路的欧姆定律得?
(2)由欧姆定律得到? U外= I1 R1=2A×2Ω=4V
U内= I1 r=2A×1Ω="2V"
(3)由功率的公式得到?P总=EI=6V×2A="12W"
P内= I12
r=(2A)2
1Ω=4W
点评:学生记住并理解闭合电路的欧姆定律,知道计算功率的相关公式。
本题难度:一般
5、选择题 如图所示,电源电动势E=9 V,内电阻r=4.5 Ω,变阻器R1的最大电阻R1m=5.0 Ω,R2=1.5 Ω,R3=R4=1 000 Ω,平行板电容器的两金属板水平放置,在开关S与a接触且当电路稳定时,电源恰好有最大的输出功率,此时在平行板电容器正中央一带电微粒恰能静止。则下列说法正确的是
[? ]
A.在题设条件下,R1接入电路的阻值为3 Ω,电源的输出功率为4.5 W
B.微粒带负电,当开关扳向b(未接触b)的过程中,微粒将向下运动
C.在题设条件下,R1的阻值增大时,R2两端的电压增大
D.在题设条件下,当开关扳向b后,流过R3的电流方向为h→g
参考答案:A
本题解析:
本题难度:一般