时间:2019-06-23 21:36:50
1、选择题 如图,当开关S闭合时,如果滑动变阻器滑动触头向左滑动,安培表和伏特表的示数变化应是:(?)
A.
的示数变大,
的示数变大
B.
的示数变小,
的示数变大
C.
的示数变大,
的示数变小
D.
的示数变小,
的示数变小
参考答案:A
本题解析:当开关S闭合时,如果滑动变阻器滑动触头向左滑动,
接入电路的电阻增大,闭合电路总电阻增大,通过电源的电流减小,由
知路端电压变大,通过
的电流变大,
的示数变大,由
,可知通过
的电流减小,
两端电压减小,由
,可知
变大,
的示数变大。
故选A
点评:动态问题分析思路总体来说是按照先部分后整体再部分的顺序,要充分利用电路中不变部分的电阻不变的特点,间接地讨论电路变化部分.还要注意电源是有内阻的。
本题难度:一般
2、选择题 我国北京正负电子对撞机的储存环是周长为240 m的近似圆形轨道,电子电荷量e=1.6×10-19C,在整个环中运行的电子数目为5×109,设电子的速度是3×107 m/s,则环中的电流是(?)
A.10mA
B.1mA
C.0.1mA
D.0.01mA
参考答案:C
本题解析:
所以选C
本题难度:简单
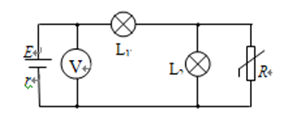
3、选择题 电动势为E、内阻为r的电源,与定值电阻
R1、R2、R3连接成如图4所示的电路。
当开关S闭合时 (? ) 
A.电压表和电流表的示数均减小
B.电压表和电流表的示数均增大
C.电压表的示数减小,电流表的示数增大
D.电压表的示数增大,电流表的示数减小
参考答案:A
本题解析:开关S闭合时,电阻变小,总电流增大,内电压增大,路端电压减小,即电压表的示数减小,R1两端电压增大,并联部分电压减小,流过R3电流减小,即电流表的示数减小,A对。
本题难度:一般
4、选择题 如图所示的电路中,电源内阻不可忽略,R为半导体热敏电阻,其阻值随温度的升高而减小.当R所在位置温度升高时
A.灯泡L1变亮
B.灯泡L2变亮
C.电压表读数增大
D.电源内阻消耗功率减小
参考答案:A
本题解析:热敏电阻
和灯泡
并联,随温度升高,热敏电阻
阻值变小,并联电路电路
变小,电路总电阻
变小,总电流
变大,灯泡
由于电流变大而功率变大,变亮,选项A对。电压表读数为路端电压
随总电流的变大而减小,选项C错。电源内阻消耗的功率
随电流的增大而增大,选项D错。并联电路电压
随电流增大而减小,灯泡
由于电压变小而功率变小变暗,选项B错。
考点:闭合电路欧姆定律
本题难度:一般
5、简答题 在如图所示的电路中,电源的内阻不能忽略,当电路中点亮的电灯的数目增多时,下面说法正确的是( )
A.外电路的总电阻逐渐变大,电灯两端的电压逐渐变小
B.外电路的总电阻逐渐变大,电灯两端的电压逐渐变大
C.外电路的总电阻逐渐变小,电灯两端的电压逐渐变大
D.外电路的总电阻逐渐变小,电灯两端的电压逐渐变小
参考答案:由图可知,灯泡均为并联;当点亮的电灯数目增多时,并联的支路增多,由并联电路的电阻规律可知,外部总电阻减小;
由I=ER+r得,干路电流增大,则内电压增大,故路端电压减小,灯泡两端的电压变小,灯泡变暗,故D正确;
故选D.
本题解析:
本题难度:一般