时间:2019-05-21 05:26:02
1、选择题 如图所示,有一带电粒子贴着A板沿水平方向射入匀强电场,当偏转电压为U1时,带电粒子沿①轨迹从两板正中间飞出;当偏转电压为U2时,带电粒子沿②轨迹落到B板中间;设粒子两次射入电场的水平速度相同,则两次偏转电压之比为
A.U1∶U2=1∶8
B.U1∶U2=1∶4
C.U1∶U2=1∶2
D.U1∶U2=1∶1
2、选择题 如图所示为磁场作用力演示仪中的线圈,在线圈中心处挂上一个小磁针,且与线圈在同一平面内,则当线圈中通以如图所示顺时针的电流时( )
A.小磁针N极向里转
B.小磁针N极向外转
C.小磁针在纸面内向左摆动
D.小磁针在纸面内向右摆动
3、实验题 (12分)在测量电源的电动势E以及内阻r (电动势约2V,内阻约0.5Ω实验中,给出如下器材:量程为1V的电压表,量程为0.5A的电流表(内阻较小),定值电阻Ro = 1.6Ω,滑动变阻器R,开关S,导线若干。
(1)四位同学设计了如下四个电路,实验电路应选为( )。
(2) 实验时当电流表的示数为I1时,电压表示数为U1;当电流表的示数为I2时,
电压表示数为U2,则可求出电动势E的字母表达式为___ _,内电阻r
的字母表达式为 。
(3)根据测量实验记录数据画出了电压表示数U随电流I的变化关系U—I图象,
如图所示,由此可知电源电动势E= 、内阻为r= 。
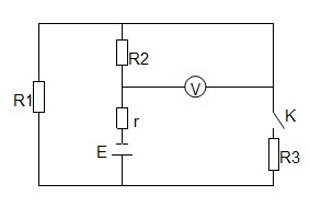
4、实验题 利用如入所示电路,测定电源电动势和小电阻r,已知R1=R2=R3=1Ω,电源内阻不计,当电键K断开时,电压表读数为0.8V;当电键K闭合时,电压表的读数为1V,该电源的电动势和小电阻分别为 V和 Ω。
5、实验题 (8分)有一个待测电阻R,其阻值大约20Ω~50Ω之间,现要进一步测量其电阻,手边现有如图所示器材:
电源E(电动势12V,内阻为0.5Ω);
电压表(0~3 V~15V,内阻约10kΩ);
电流表(0~0.6A~3A,内阻约1Ω)
滑动变阻器R1(阻值0~10Ω,额定电流2A);
滑动变阻器R2(阻值0~1700Ω,额定电流0.3A);
电键S和导线若干。
要求多次测量电阻R的电压U和电流I,画出其伏安线求电阻。现回答下面问题:
(1)电压表的量程应选 ,电流表的量程应选 ,滑动变阻器应选 。
(2)请画出实验电路图。