时间:2019-05-21 05:11:25
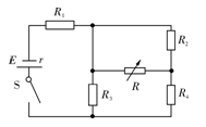
1、选择题 如图所示的电路中,电源电动势为E,内阻为r,R为可变电阻,其余电阻为定值电阻。则开关S闭合后,当R变小时,以下说法正确的是(? )
A.电阻R1的功率变小
B.电阻R2的功率变小
C.电阻R3的功率变大
D.电阻R4的功率变小
2、选择题 用某种金属制成粗细均匀的导线,通以一定大小的恒定电流,过一段时间后,导线升高的温度( )
A.跟导线的长度成正比
B.跟导线的长度成反比
C.跟导线的横截面积成正比
D.跟导线的横截面积成反比
3、计算题 一个灯泡L,标有“6V 12W”字样,一台直流电动机D,其线圈电阻为
,把L与D并联,当电动机正常工作时,灯泡也正常发光;把L与D串联,当电动机正常工作时,灯泡的实际功率是额定功率的3/4。求这台电动机正常工作时转化为机械能的功率。(假定灯泡电阻保持不变)
4、选择题 一个标有“220 V60 W”字样的电灯泡,当工作电压为110 V,它的实际功率()
A.等于15 W
B.大于15 W
C.小于15 W
D.无法确定
5、选择题 不定项选择
了解物理规律的发现过程,学会像科学家那样观察和思考,往往比掌握知识本身更重要。以下符合史实的是( ? )
A.焦耳发现了电流热效应的规律
B.库仑总结出了点电荷间相互作用的规律
C.楞次发现了电流的磁效应,拉开了研究电与磁相互关系的序幕
D.牛顿将斜面实验的结论合理外推,间接证明了自由落体运动是匀变速直线运动