时间:2019-03-16 03:00:30
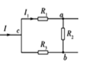
1、选择题  如图所示电路,已知R1=3 kΩ,R2=2 kΩ,R3=1 kΩ,I=10 mA,I1=6 mA,则a、b两点电势高低和通过R2中电流正确的是? ?
?
A.a比b高,4 mA
B.a比b高,2 mA
C.a比b低,7 mA
D.a比b低,4mA
参考答案:C
本题解析:根据: 可知R1两端电压
可知R1两端电压 , R2两端电压
, R2两端电压 ;所以a比b低14V,所以R2两端电压为14V,
;所以a比b低14V,所以R2两端电压为14V, ,
,
故选C.
本题难度:简单
2、选择题  有A、B两个电阻,它们的伏安特性曲线如图所示,从图线可以判断(  )
A.电阻A的阻值大于电阻B
B.电阻A的阻值小于电阻B
C.两电阻两端电压相同时,流过电阻A的电流强度较小
D.两电阻串联时,电阻A消耗的功率较大
参考答案:B
本题解析:
本题难度:一般
3、选择题  如图所示电路中灯泡A.B均不亮,但电路中只有一处断开,现作电压表测得Uab=0、Uac=6V、Ubd=6V、Ucd=0,则可分析出    (  )
A.B灯断    B.A灯断   C.电源断    D.R断
参考答案:D
本题解析:若B灯断,则Uac=0,与题不符,故A错误.若A灯断,则Ubd=0,与题不符,故B错误.两灯泡不亮,说明此时电路中的电流是零,Uab=Ucd=0,说明A.B均完好,电压表在测量aC.bd的时候,电压表的读数都不为零,说明bc间有断路,即知R断路.故D正确.由题知Uac=6V,Ubd=6V,说明电源没有断,故C错误.故选:D.
考点:电路故障分析.
本题难度:一般
4、实验题  (6分)某学习小组在描绘标有“8.0 v,3.8 w”的小灯泡灯丝电阻的伏安特性图线时,实验室给出一块电压表V(量程10V,内阻约4KΩ)和两块电流表:A1 (量程100 mA,内阻约2Ω)和 A2 (量程0.6 A,内阻约0.3Ω),则选择电流表        进行试验测量。甲、乙两同学利用电压表和选定的电流表采用不同的连接电路测出相应的电压和电流描绘出的伏安特性图线如下图①、②所示,则图线       更准确。
参考答案:A2、 图线②
本题解析:据题意,小灯泡额定电压为8v,额定功率为3.8w,则额定电流为 ,所以电流表应该选择A2;据
,所以电流表应该选择A2;据 可知应该实验外接法测量更准确,而外接法电流表测量的电流偏大,当电压相同时电流偏大的是图②。
可知应该实验外接法测量更准确,而外接法电流表测量的电流偏大,当电压相同时电流偏大的是图②。
考点:本题考查小灯泡的伏安特性曲线的描绘。
本题难度:一般
5、选择题  如图所示电路,当A、B两端接入150V的电压时,C、D两端电压为50V.当C、D两端接入150V电压时,A、B两端电压为100V,求R1:R2:R3=?_________
参考答案:4:4:1
本题解析:当A、B两端接入150V的电压,C、D两端电压为50V时,则有 ,则得
,则得 ;当C、D两端接入150V电压时,A、B两端电压为100V时,则有
;当C、D两端接入150V电压时,A、B两端电压为100V时,则有 ,则得
,则得 ,联立得:R1:R2:R3=4:4:1
,联立得:R1:R2:R3=4:4:1
考点:本题考查了串联电路分压的特点。
本题难度:简单